EasyManua.ls Logo

dooch Q-Drive NQ-0400-S - Sensor Connection and Control Wiring Cautions

dooch Q-Drive NQ-0400-S
80 pages
Print Icon
To Next Page IconTo Next Page
To Next Page IconTo Next Page
To Previous Page IconTo Previous Page
To Previous Page IconTo Previous Page
Loading...
[
[CHAPTER 4 INSTALLATION]
4-9|
DOOCHPUMP
4.4.3 Cautions on Control Circuit Wiring
• Maintain wiring distance between pressure sensor and drive within 10m.
• In case of remote control using analog signals, maintain distance between remote
control panel and drive within 50m.
• Set off sensor and analog signal lines enough from power lines.
• Use shield twisted wires for signal lines of control circuit.
• Since GND and CG are insulated each other, do not interconnect or ground them.
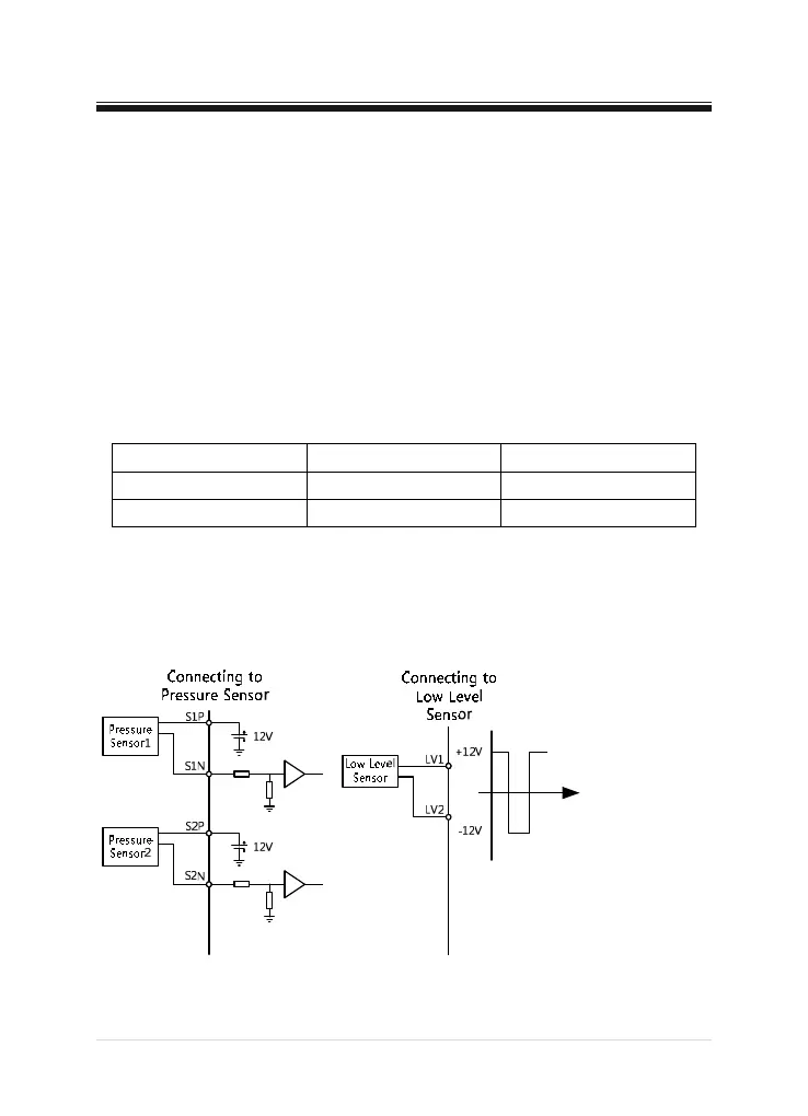
4.4.4 Connection of Pressure Sensor and Low Water Level Sensor
• Use the pressure sensor and low water level sensor specified by Dooch.
• General specifications of the pressure sensor and low water level sensor specified by
Dooch are as follows:
Category Pressure Sensor Low Water Level Sensor
Excited Voltage DC 12V DC ±15V Pulse
Sensor Output 4~20mA Connection
• Since terminals on pressure sensor have polarity, be careful about polarity during
installation.
• When using any unspecified pressure sensor and low level sensor, please contact us
before using them.

Table of Contents

Related product manuals