EasyManua.ls Logo

Door Controls PS17-TD2 - Page 6

Default Icon
8 pages
Print Icon
To Next Page IconTo Next Page
To Next Page IconTo Next Page
To Previous Page IconTo Previous Page
To Previous Page IconTo Previous Page
Loading...
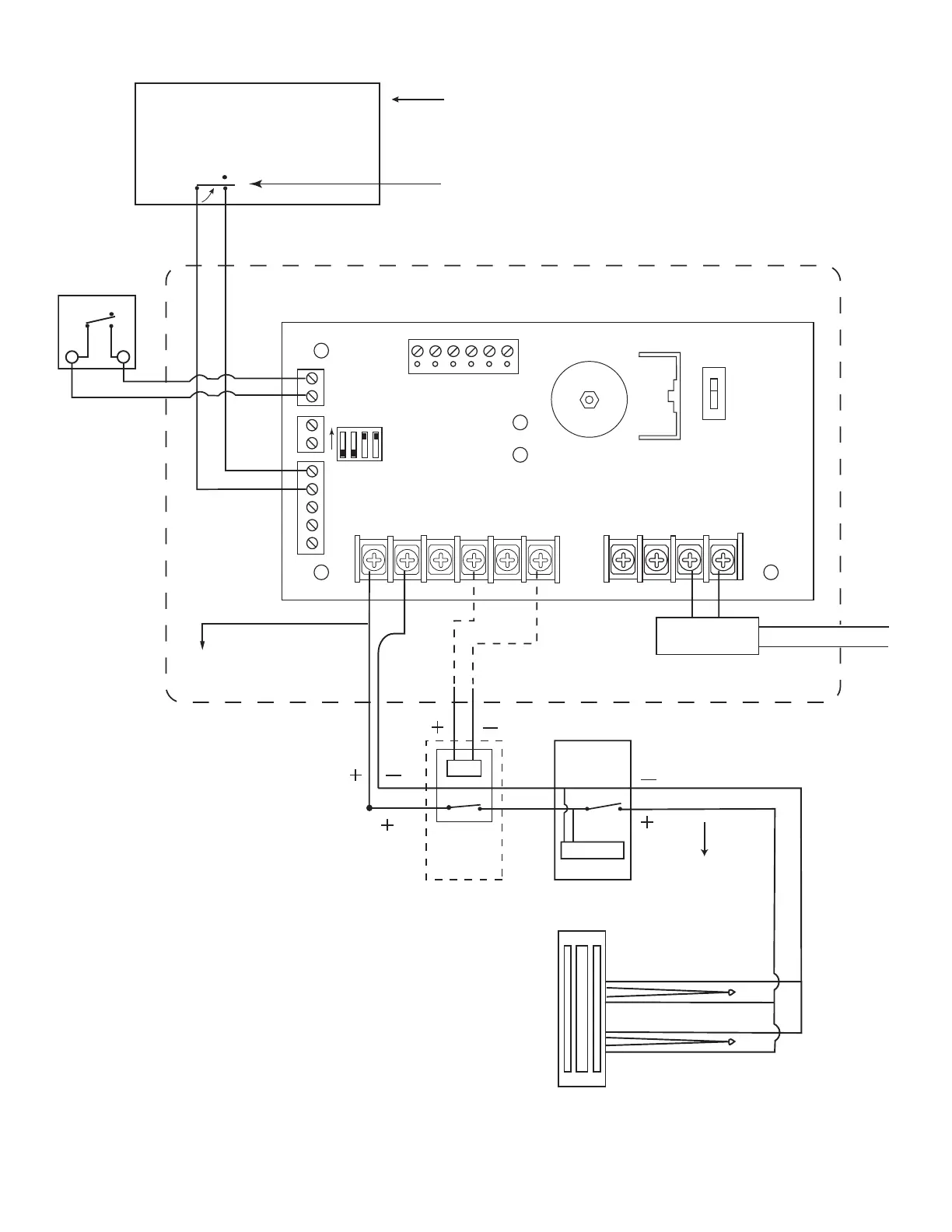
- 6 - PS17-TD2
Typical Access-Controlled Egress System:
MONITOR
AS DESIRED
ELECTRIC
LOCK(S)
115 VAC IN
TO
OPTIONAL
LED
N.O. TRIGGER
THESE ARE CODE - SPECIFIC TERMS.
IF ONE OR MORE OF THESE SYSTEMS
IS PROVIDED, A RELAY TO UNLOCK
IS REQUIRED FOR EACH SYSTEM.
NEMA 1 ENCLOSURE
MONITOR
AS DESIRED
OTHERWISE JUMPER TRG1 TO TRG2
NOT USED
V. M.
EXTERIOR
ACCESS -
CONTROL
DEVICE -
OPTIONAL
ELECTRONICS
INTERIOR
ACCESS -
CONTROL
1. SW5 : Select 12VDC or 24VDC
2. Dip SW4 : OFF - 45 sec relock , ON - 30sec relock
3. Dip SW3 : ON ( Delayed Egress )
4. Dip SW2 : Any , has no effect.
5. Jumper "RES" to "G".
FOR VOLATILE
MEMORY IF
REQUIRED
TRANSFORMER
FIRE - PROTECTIVE SIGNALING SYSTEM ,
FIRE ALARM SYSTEM ,
FIRE COMMAND CENTER ,
AUTOMATIC SPRINKLER SYSTEM ,
AUTOMATIC SMOKE - DETECTION SYSTEM, AND/OR
AUTOMATIC FIRE - DETECTION SYSTEM RELAYS
24V SHOWN
TR GND RES GND TRG1 TRG2 C NC NO
ALARM NO C NC C NO NC AC FAIL
1 2 3 4
AC
SW5
ON
DC
+ BAT --- AC AC
AUX ---
FACPLOCK + STRIKE + AUX +COM --
4 OFF LONG DELAY 4 ON SHORT DELAY
3 OFF ACCESS - CONTROLLED EGRESS 3 ON DELAYED EGRESS
2 OFF NUISANCE DELAY 2 ON NO NUISANCE DELAY
SW5 ON - 24V
OFF - 12V
ON