EasyManua.ls Logo

Doosan 9/270 - Page 48

Doosan 9/270
70 pages
Print Icon
To Next Page IconTo Next Page
To Next Page IconTo Next Page
To Previous Page IconTo Previous Page
To Previous Page IconTo Previous Page
Loading...
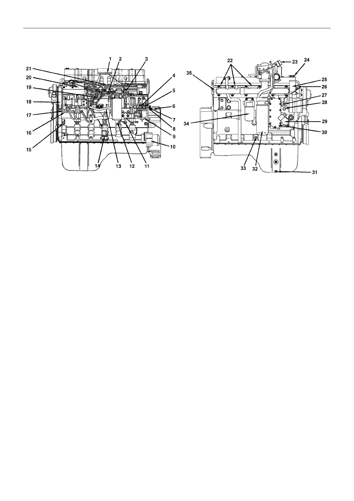
EXTERNAL VIEWS 45
9/270, 9/300, 12/235, 17/235, 21/215, 9/270HA, 9/300HA, 10/300HA, 12/235HA, 17/235HA, 21/215HA
DIESEL ENGINE Engine External View
(1) Engine air inlet.
(2) Intake manifold pressure sensor.
(3) Intake manifold temperature sensor.
(4) M10 (STOR) fuel pressure after-lift pump.
(5) M10 (STOR) fuel pressure before-lift pump.
(6) Magnetic pickup location
3
/
4
-16UNF.
(7) Fuel return connection.
(8) Fuel inlet connection.
(9) Fuel lift pump.
(10) Starter mounting flange.
(11) Oil pressure sensor.
(12) Fuel filter.
(13) Electronic control module (ECM).
(14) Dipstick location.
(15) M10 (STOR) oil pressure port.
(16) Engine position sensor (EPS) - (inboard).
(17) Engine speed sensor (ESS) - (outboard).
(18) Engine dataplate.
(19) High-pressure fuel lines.
(20) injection pump.
(21) Intake air heater.
(22)
1
/
2
-inch (NPTF) coolant taps.
(23) Turbocharger wastegate actuator.
(24) Oil filler cap.
(25) Coolant outlet.
(26) Front engine lifting bracket.
(27) Coolant temperature sensor.
(28) Coolant heater port.
(29) Coolant inlet.
(30) Lubricating oil cooler.
(31) Oil drain plug.
(32) Lubricating oil filter.
(33) Dipstick location.
(34) Coolant filter.
(35) Injector drain fuel outlet connection.
Fig 1 (Left-hand Side) Fig 2 (Right-hand Side)

Related product manuals