EasyManua.ls Logo

Doosan D35S-5 - Page 36

Doosan D35S-5
366 pages
Print Icon
To Next Page IconTo Next Page
To Next Page IconTo Next Page
To Previous Page IconTo Previous Page
To Previous Page IconTo Previous Page
Loading...
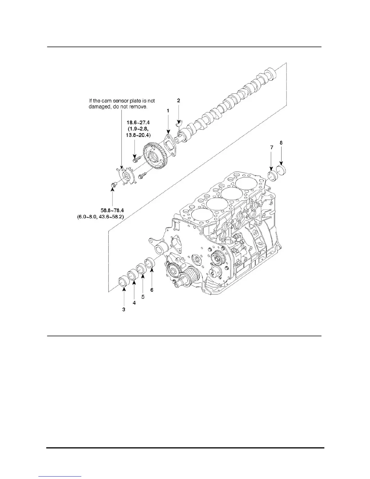
D439E Service Manual 2. Engine Mechanical System (D439E)
34
1. Thrust plate
2. Semicircular key
3. No.1 camshaft bush
4. No.2 camshaft bush
5. No.3 camshaft bush
6. No.4 camshaft bush
7. No.5 camshaft bush
8. Sealing cap
Tightening Torque : Nm (kgf.m, Ib-ft)

Table of Contents

Other manuals for Doosan D35S-5

Related product manuals