EasyManua.ls Logo

Doosan D35S-5 - Page 52

Doosan D35S-5
366 pages
Print Icon
To Next Page IconTo Next Page
To Next Page IconTo Next Page
To Previous Page IconTo Previous Page
To Previous Page IconTo Previous Page
Loading...
D439E Service Manual 2. Engine Mechanical System (D439E)
50
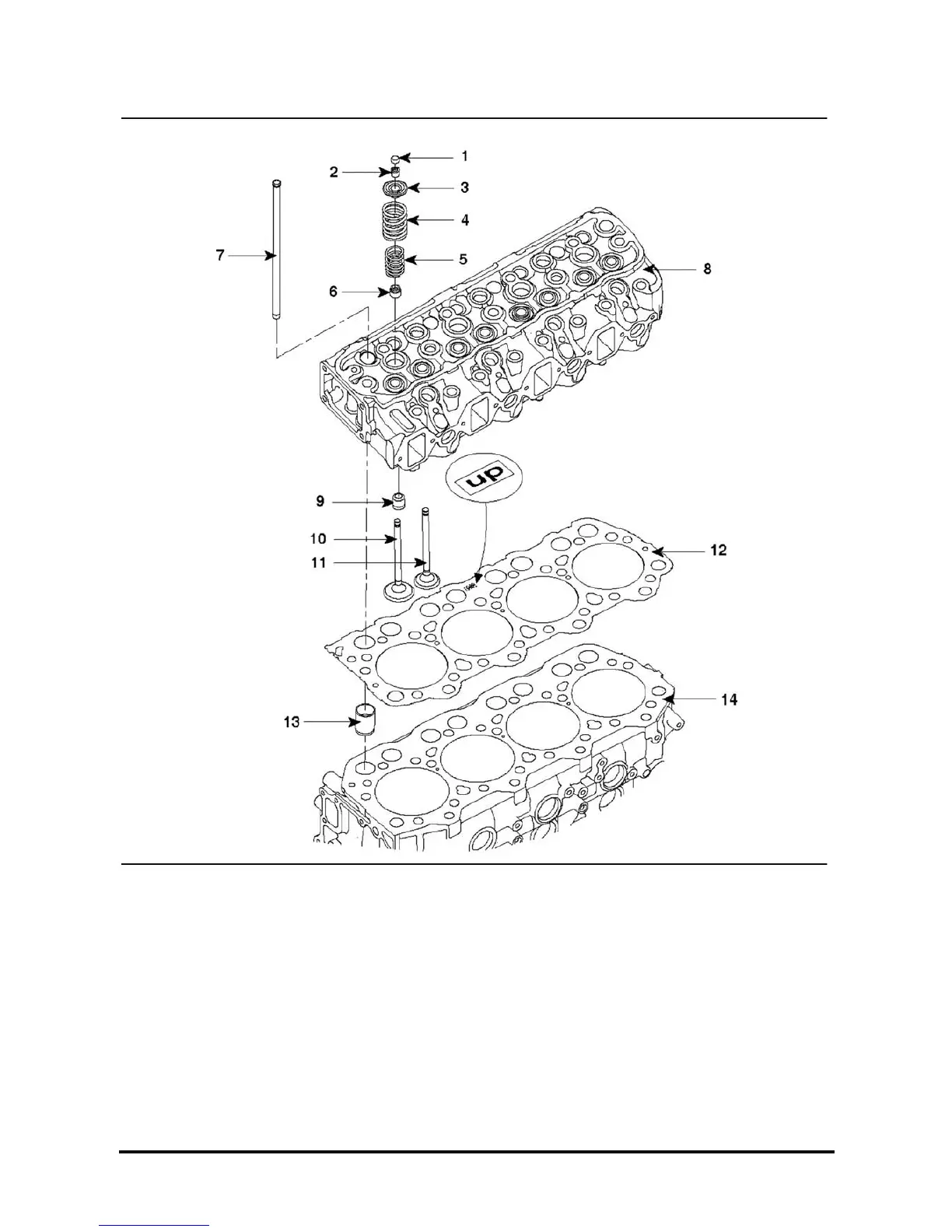
1. Valve cap
2. Valve cotter
3. Valve retainer
4. Outer side spring
5. Inner side spring
6. Valve stem seal
7. Push rod
8. Cylinder head
9. Water director
10. Intake valve
11. Exhaust valve
12. Cylinder head gasket
13. Tappet
14. Crankcase

Table of Contents

Other manuals for Doosan D35S-5

Related product manuals