EasyManua.ls Logo

Dräger Polytron SE Ex PR NPT1 DD - Page 47

Dräger Polytron SE Ex PR NPT1 DD
60 pages
Go to English
Print Icon
To Next Page IconTo Next Page
To Next Page IconTo Next Page
To Previous Page IconTo Previous Page
To Previous Page IconTo Previous Page
Loading...
47
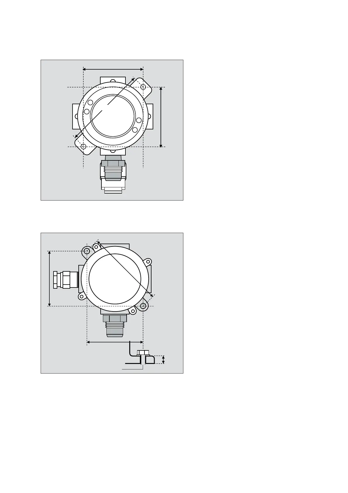
Sensing head Polytron SE Ex PR NPT1 DD
Sensing head Polytron SE Ex LC NPT1 DD
(Diameter of both the wall fixing holes: 7 mm)
Sensing head Polytron SE Ex HT M DD
(Diameter of both the wall fixing holes: 6mm)
A wall fixing hole
02133176.eps
77.8
77.8
110
02233176.eps
125
88
ca.12
88
A

Table of Contents

Other manuals for Dräger Polytron SE Ex PR NPT1 DD

Related product manuals