EasyManua.ls Logo

DRAGON WINCH 2000 - Page 40

DRAGON WINCH 2000
Print Icon
To Next Page IconTo Next Page
To Next Page IconTo Next Page
To Previous Page IconTo Previous Page
To Previous Page IconTo Previous Page
Loading...
www.dragonwinch.com
40
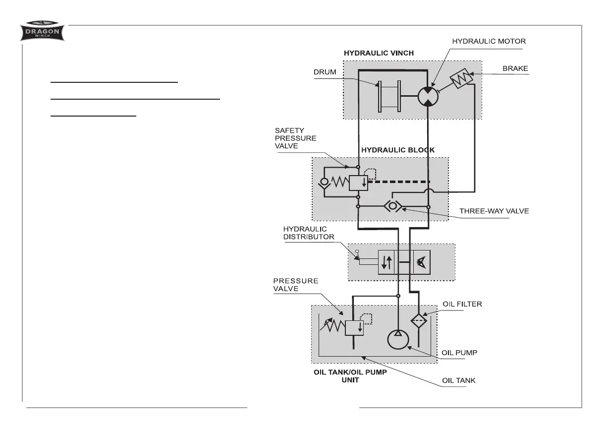
Section B diagram
BLOCK DIAGRAM OF
HYDRAULIC CONNECTIONS

DWHI 300 HD
DWHI 450 HD
DWHI 660 HD

Related product manuals