EasyManua.ls Logo

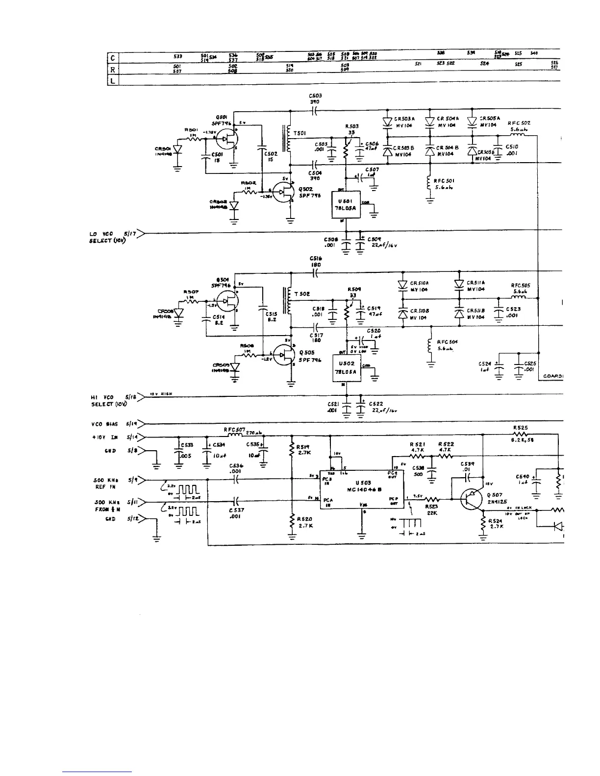
DRAKE TR-7 - VCO Board Schematic

DRAKE TR-7
179 pages
Print Icon
To Next Page IconTo Next Page
To Next Page IconTo Next Page
To Previous Page IconTo Previous Page
To Previous Page IconTo Previous Page
Loading...

Table of Contents

Related product manuals