EasyManua.ls Logo

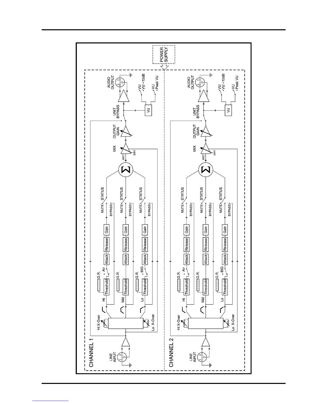
Drawmer 1973 - BLOCK DIAGRAM

Drawmer 1973
12 pages
Print Icon
To Next Page IconTo Next Page
To Next Page IconTo Next Page
To Previous Page IconTo Previous Page
To Previous Page IconTo Previous Page
Loading...
11
DRAWMER 1973 OPERATOR’S MANUAL
BLOCK DIAGRAM
1973 ver 01 B 20/03/14

Related product manuals