EasyManua.ls Logo

Dual CA 940 - Page 12

Dual CA 940
20 pages
Print Icon
To Next Page IconTo Next Page
To Next Page IconTo Next Page
To Previous Page IconTo Previous Page
To Previous Page IconTo Previous Page
Loading...
-
TR
702
MPS
9633
-
C
TR
703
K
TCI815
TR
605
2SC
1815
0601
:
15188
D602
IN
2472
10601 HA
-
1
1226
(
1/2)
9
12
13
10
II
14
17
18
C620
0.
3/50
g
10623
C6I8
10/16
TPI
0
,
0
047f
i
R622
C619
R62I
01
7
a
m
0601
180
0.011
p
o
t
•-o
c
61
7
-
----NI
s.,
«.
0/16
100K
rn
re
C628
10/16
0703
09
4
15188
DOLBY
-
NR
5
1
N.
(
7,u3
rxr
Cv
0.
02
t
°
t
C‘
CI
cs4-
0
0602
tr,
116,i
gn
8627
r
r,
270K
y
C624
f
0.
1/
50
VR602
106
t
-.
710
°2T
03-
R642
R628
8629
120
470
1183
172
3.3K
r-
rn
0c=
22K
to
re
0
10
.7
a
0
C63I
1
to.
0
C634
0.039
rnfl
8638
toT°U
6.8K
ö
TR
609
K
TC1815
R639
I2K
TR
607
2SC
1815
8643
22K
R645
160p
TPII
-
II
8648
10K
L604
23m1-1
390P
TR
711
AN
6250
2SC
1827
C643
IC702
MC14011
TR
712
12
2SC
1
827
8740
STOP
3.3K
i
D706.711
:
IN4001
C
713
11.61
-
IC
C7I8
10/16
8732
100
0.022
—III
1=1
CO
I
i
338
2r;
r
e;
'2
rs,
ör;
02
TC714
1/50
oe
12.7
PAUSE
OLAY
4-4
C
ASS.
R739
560
n
u 7
R733
39K
R738
100;1(
R737
c
A.7M
2
1
3
R736
10K
8735
10
IX
C7I7
0.022
0707
IN
2472
STOP
OLL
IC601 HA
1
1226
(
I/ 2)
8
5
4
7
6
C670
0.33/50
TP2
C668
1
'
41
R672
0.0047
_
r-
-o
C669
to
180
1
0667
1(
10
/
16
0.015
r
r,
8671
10
1006
ct
000
-....
o
IC673
I.
10
/
16
-
D651
0652
.=.
6
11
1
4
t
IH
R677
.
r
—....
270K
R
2of2
N
-
LbG.2
.
t,„_
e0 =C675
-1-
03
to
f '2
;t0
n-
nr
.
f...'
n
70.33/50
060
rx
csr
0.1
-
V)
ö
D651
16188
0652
1N2472
113.21
C706
100/16
29
.7
.
1
C705
0022
07I2
:
ZPD
-
13
24.5V
8679
8717
22K
P
R
8681
470K
6—
0
0.
)
r-
,
01
0
10
/r;
ID
10
8692
22K
R689
3.3/50
10
100
5
8
4.7K
8646
4.76
(i)
8647
22K
Fe
8683
22K
C68I
10/16
11
1
LINE
WC
de
TR655
—.-
4
to.
10
10684
r
-'
1
n
„,I
1
8688
crig
6.8K
0.039
2SC
1815
R695
4.76
[5
8693
22K
0.011
TR6I0
2SC
1815
TR
657
2SC
1815
8697
22K
.
708
CI815
1
I
2
Ittp.
21151
TR
659
2SC
1815
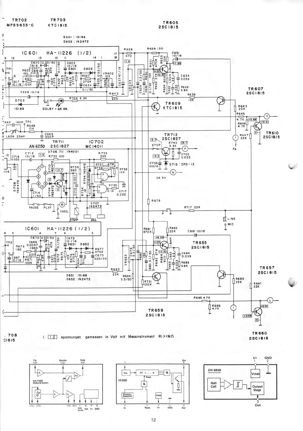
spannungen
gemessen
in
Volt
mit
Messinstrument
Ri
>
IMCI
Monitor
OHIO.
51121
6191
HA
1
1226
Dollsy
13
System
0
ut
Otc
FF
9
AN
6250
1
Reset
l
&
I
L
Rotatton
Detection
R696
4.76
1+0.66
0
TR
660
2SC
1815
V+
GND
1
2
DN
6838
Hall
Cell
Vstab
Output
Stage
II
41171
71101
61111
16
17
16
Ref.
V.
GMD
Pause
Vi
GNI)
Out
12
3
Out