EasyManua.ls Logo

Dual CA 940 - Page 11

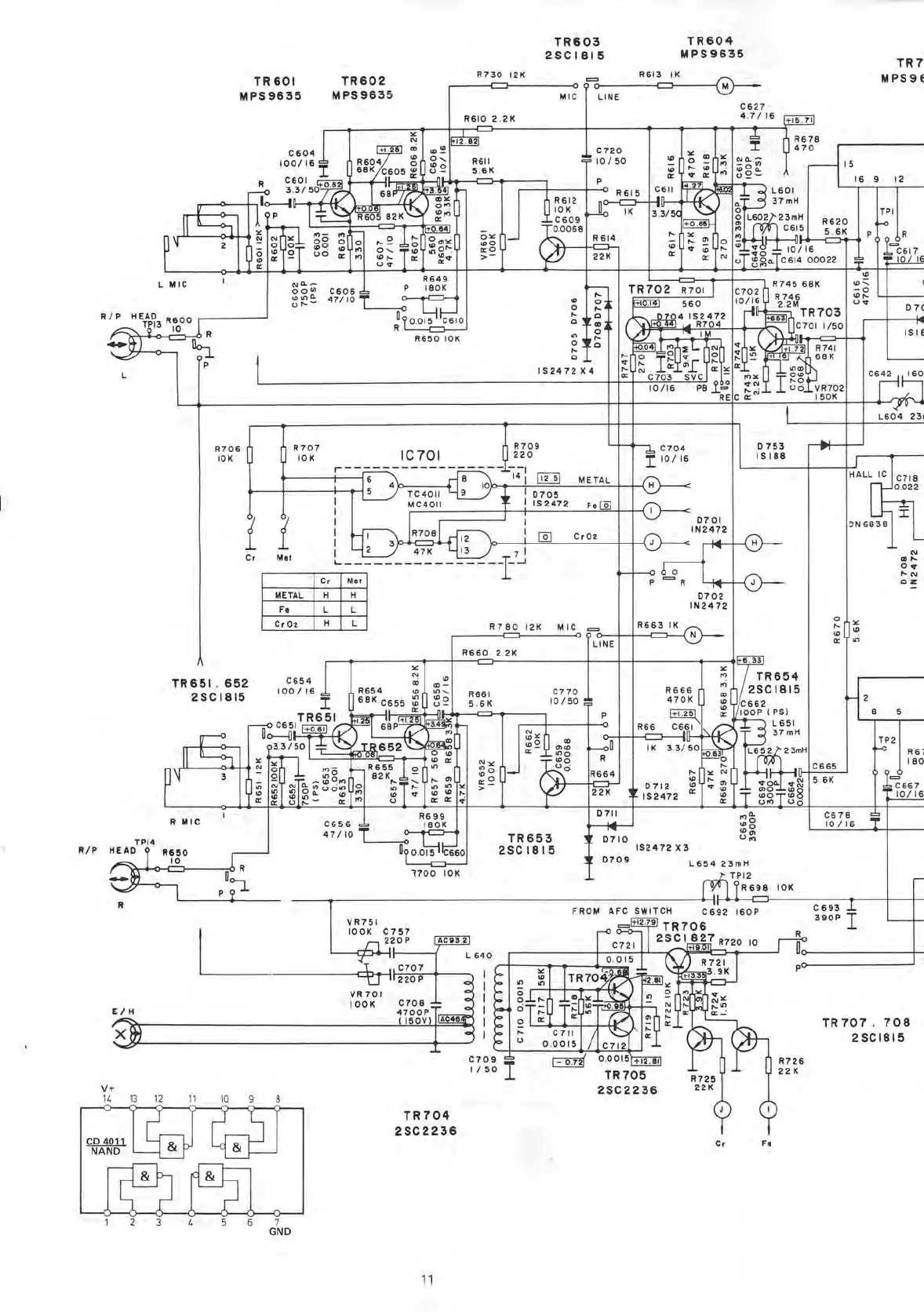
Dual CA 940
20 pages
Print Icon
To Next Page IconTo Next Page
To Next Page IconTo Next Page
To Previous Page IconTo Previous Page
To Previous Page IconTo Previous Page
Loading...
TR
603
2SCI815
TR
604
PAPS
9635
L
HIC
R/P
HETAD13
R600
10
TR 601
PAPS
9635
C604
100/16
*
R
C601
40
--0
3.3/50
°P
0.-
0010
OG-
TR602
PAPS
9635
R730
I2K
R649
C606
=
P
180K
47/10
g---
7
-=--•
gy001b10
R
R650
10K
C720
=
10/50
101
0
0
R6I3
1K
HIC
LINE
1
612
R615
Cri
2
1
C
0
:09
K
33/50
1
0
65
0.0068
R614
22K
TR7
PAPS9E
C627
16
-1-15.711
15
16
9
12
L601
-
37mH
L6022`23mH
R620
rniir
06I5
5.6K
10/16
1
•20IC614
00022
r-
ID
0
0
r-
r
-
‘21
7
0
,
rct
0
1r
2;
r-
192472
X4
r-
10
0
TR702
R701
-r
t
:.
:utilt
560
0704
192472
to
441
in
g
P704
m
04
itn
3
sr.
_L
r.2
C703
SVC
10/16
Oh
rnx
PB
RE
C
10
0702
10/16
R745
68K
R746
2.2M
TR703
C701
1/50
roZ,
-o
O
D
071
R74I
68K
ce
toto•
ort
N-0
00.
VR702
150K
C642
160
R706
ri
106
U
n
R707
U
10K
IC701
R709
220
A
TR
651
.
652
2SCI815
—0
0651
00
!
°--111
3.3
/
0
50
0
R
HIC
TPI4
R/P
HEAD
R650
10
E/
H
V+
10
6
-
r
Met
5
2
Cr
Met
METAL
II
Fe
C
r
0
2
C654
100/16
TR65I
10
3
--
la
5
°9'
o
r-
ro
w
'
rt9
u°2
C656
47/10
TC401
1
MC4011
9
10
4
2.5
METAL
D705
192472
Fe[_07j
R708
3
47K
R655
82K,
to
w
2
3
Cr02
C704
M10/
16
-0
0
R780
I21<
MIC
7 -
1
R660
2.2K
R66I
o
5.6K
R699
180K
0.015IIC660
1700
IOK
10
C770
10/50
ID
10
0701
IN
2472
R663
IK
LINE
0753
19188
L604
23r
D702
IN2472
R666
7
470K
j
+1.25
R66
C66I
0-1-0
ig
K
3.3/50
R664
22K
0711
0712
1 r
192472
TR
653
0710
2SC1815
D709
192472
%
3
VR75I
100K
C757
220R
AC93.21
2
C
2707
0
0
VR
701
100K
C708
t01
.r
4700P
(
150V)
IAO4r3e
L
640
14
0
G
0
12
11
j)
9
NAND
I&
-184-
r
1
2
3
10
&
0
0
5
6
7
GND
TR
704
2SC
2236
0709
I /
50
I
FRON
AFC
SWITCH
00015
TR705
2SC2236
.0
1+
6
33
TR654
1
,1
6
2
6
S
2
CI815
10
100P
(PS)
L651
(- -
0
37
mH
n
.
L6
4512
1:
23
7
01
or1
,
gl
ID
•-•-
010
•T
cf-9,
Ttg
ro%
•Do
w
o
,
011)
L654
23mH
TPI2
0
/
1'
IR698
10K
•—li
0
C692
160P
TR706
2
SCI
827
R720
10
R725
22K
Cr
Ft
IC
HALL
IC
c7i8
0.022
1..
_.
I
3N683
—I8
__
0
r
t;
10
C665
0
P
O
R726
22
K
5.6K
0678
10
/16
TP2
6-0
R67
180
1
0667
10/16
0693
1.
390P
I
TR
707
.
708
2SCI815
11