EasyManua.ls Logo

Dual CA 940 - Page 10

Dual CA 940
20 pages
Print Icon
To Next Page IconTo Next Page
To Next Page IconTo Next Page
To Previous Page IconTo Previous Page
To Previous Page IconTo Previous Page
Loading...
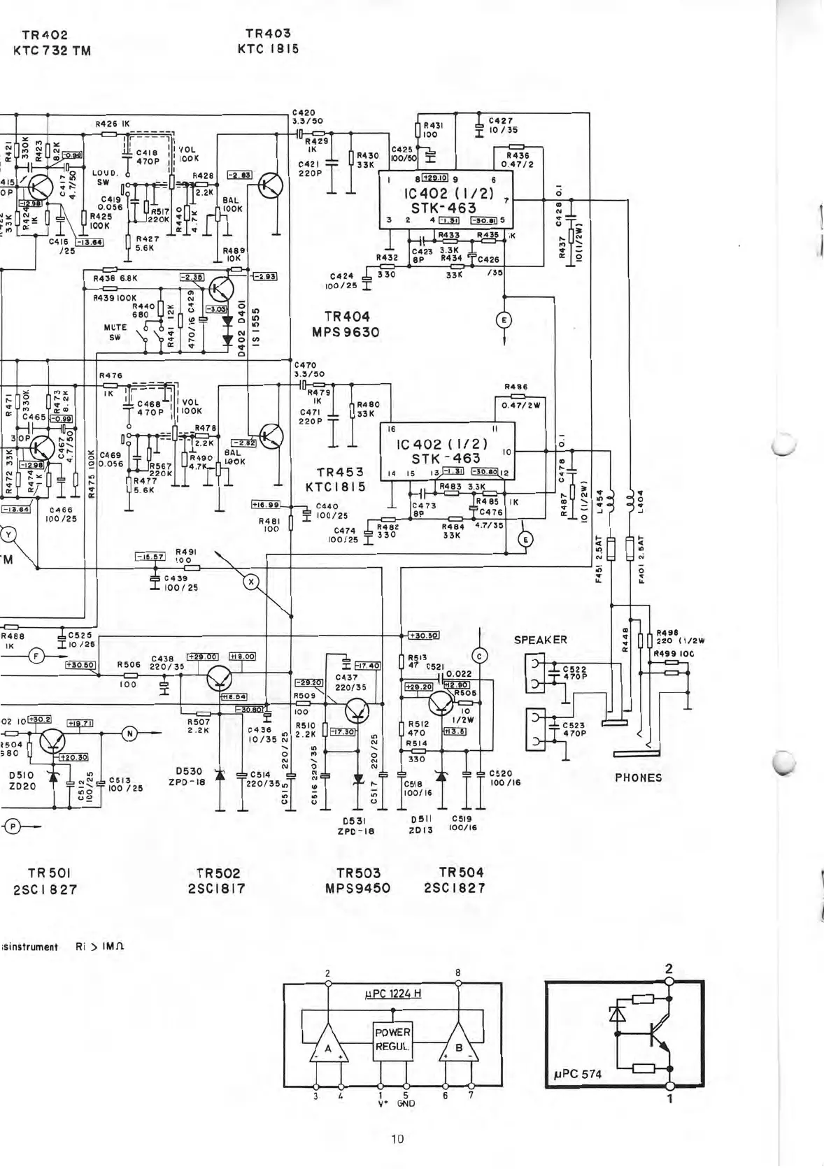
TR
402
KTC
7
32
TIV1
TR
403
KTC
1815
R426 1K
O
04
415
OP
:2.9
04
-
e
r
LOU D.
SW
I
470P
i
t
C4I9
0.056
R425
100K
C4I6
-13.641
/25
4517
220K
1 VOL
1
100K
R428
2.2K
e
4427
5.6K
1-2.531
BAL
100K
4469
10K
4438 6.8K
41-1=1
4439
100K
4440
680
MUTE
SW
1-2.351
0
C420
3.3/50
4429
IX
C421
I
220P
-L-2.531
10
04
rc
I-.12 99
-13.64(
C466
100
/25
4=1
4488
1K
22
)
C525
110/25
+3050
4476
-I=1
;
,e
r-
ZI
-
_,
-I
IK
I
'
C468
1
I VOL
1
.
470
p
i
I
1 I 0 0 K
1
R478
a
2.151r.(
---
8AL
0.056
ER490
LOOK
C469
U
4430
33K
1
.1
1R431
100
C425.-
1
100/50
M
C427
10
/
35
4436
0.
7/
2
6
1+20.101
1C402
I
/
2)
STK
-
463
3
2
4
=)
1-00.4015
0
R433
R435 I
1
C423
3.3K
4432
gp
R434
TC426
C424
/35
100/25
I
TR
404
MPS
9630
C470
3.3/50
4567 '-4.7K
220K
4477
_L
5.6K
-15
4491
100
q-9
C439
-I-
100/ 25
WEZ
464
14
.
:A.A2U1
R481
100
4479
C47I
220P
I
n
4480
U
33K
TR4
53
ICTC
I
81
I
5
C440
1:1
z
100/25
R482
C474
330
100/25
I
4486
0.47/2W
16
I I
IC
402
(
/
2
)
STK
463
14 15
13
WI
-30.501.1,
R483
3.3K
0
R485
IK
C473
8P
C476
4484
4.7/35
33K
C438
EIEIE
1+18
4506
220/35
100
TR
501
2SC
1
827
00
{/19.541
30
R507
2.2K C436
0530
C5I3
ZPO
-I8
100
/
25
;sinstrument
R1
>
Imft
4509
100
1-17.401
C437
220/35
R5I0
n
22
)
2.2K
UbL.Kf''
10/35
Cs.1
0
04
Od
1==
C5I4
=
1220/351
TR
502
2SC
1817
.73
ZPD
-
18
TR503
MPS9450
+3050
R5I3
LJ
47
C52I
0.022
H
401
R505
10
4512
1/2W
470
4113.91
esi
R514
0
330
o
04
N I
22
)
I
1518
100/16
'Es
11
100 /16
=
C520
0531
051
1
C519
Z013
W"
TR
504
2SC
1827
PC
1224
H
1
POWER
REGUL.
0
0
1
5
v
GND
SPEAKER
3-1.
C522
D
470P
C523
470P
7'
)
7D
;
_J
_'
csi
6—
R498
220 (1/2W
4499
100
PHON
ES
10