EasyManua.ls Logo

Dual CA 940 - Page 9

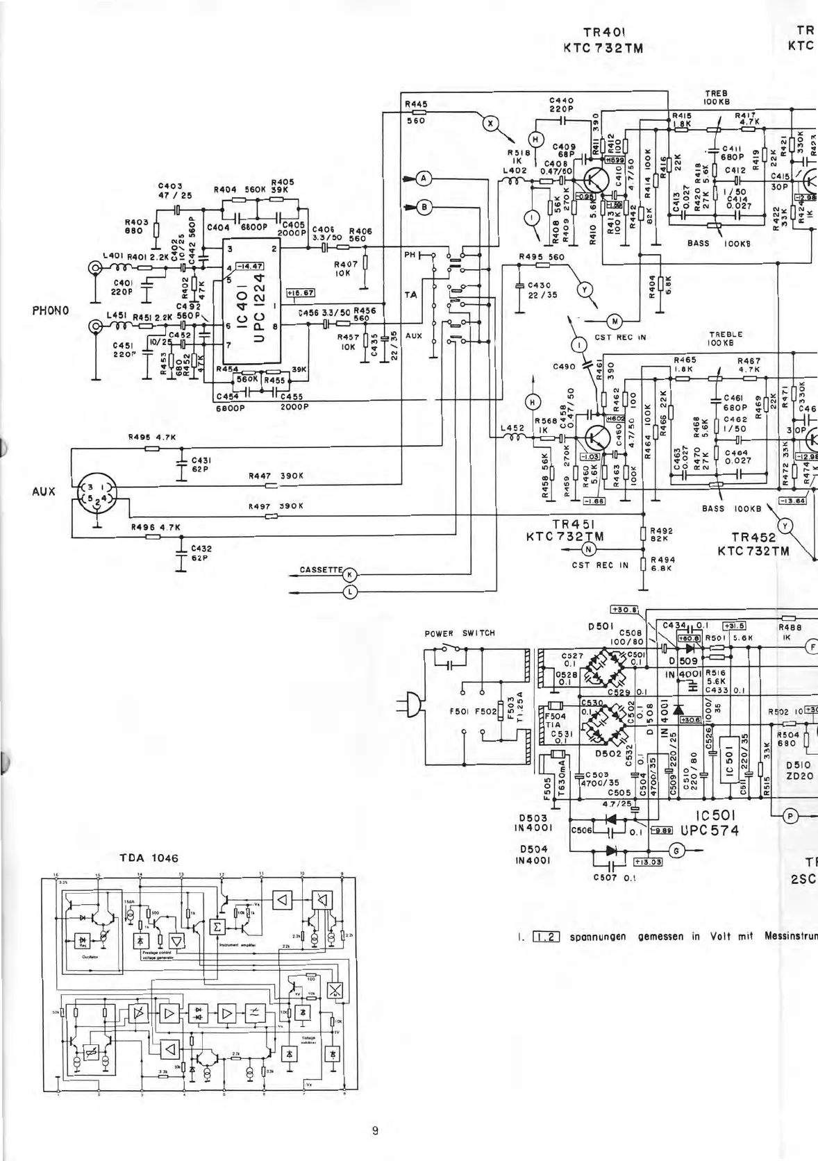
Dual CA 940
20 pages
Print Icon
To Next Page IconTo Next Page
To Next Page IconTo Next Page
To Previous Page IconTo Previous Page
To Previous Page IconTo Previous Page
Loading...
TR401
TR
KTC
732TM
KTC
PHONO
AUX
R403
C403
47
/
25
0.
0
10
880
10
0
NN
3
L401
R401
2,2K
'
4.--
0
cJ
a
9
1.
2
C401
220P
I
tc
C)
CU
C492
L451
R45I
2.2K
560P
\
0
()
6-Q..
8
C452
C45I
10/2
220P
I
,n
R405
R404
560K
39K
171
-
71-
C404
6800P
C405
C406
2000P
3.3/50
R495
4.7K
ON p,
CO
4'
1.0
Cs
2
R445
560
R406
560
R407
10K
C456
3.3/50
R456
560
R454
39K
560K
R455
•-
C
4571
-
1
I I
IT
.
455
P-0
0
O
O
-C1
=
.13-.-4
0?"0---4-4
TA
tC)
R457
0
rn
10K
CD
IN
C440
220P
C409
R518
68Ip_
1K
C408
71
L402
0.47/50
-r1M-6-1=
-
(1
.
It
01
-
0
0:1011
AUX
0
6800P
2000P
0
In
TREB
100
KB
45.99
mac
0
0
0 0
0
e
44
.
R495
560
C43I
I
62P
R447
390K
R496
4.7K
0 I
C432
I
62P
TDA
1046
R497
390K
C=I
-
C430
C490
R568
„;
L452
IK
- r
nr\-•-1=-0
CO
CO
4f1
CO
X
1-1
R4
15
1.8K
0
0
01
44
.
CO
10 10
SD
2
N
1010
e -
Ifl
rc
N
-0
N
ö
N
R4I7
4.7K
CZ7
C4Il
680P
0412
UI
01
u
01
0415
I
/
50
C4I4
0.027
1
BASS
100KB
30P
0.1
1
101
CST
REC
IN
TREBLE
100
KB
400
a
m
m
CII
10
R465
R467
1.8K
031
0
4010
-
86
0
40
10
In
40
cr
0
r
10
-
10
40
44
.
re
CII
N
10
0
-
C461
680P
C462
co
nr
9
1
/
50
o
40
01
e
0
CC
N
01
4.7K
II
rn
C46.
.
0111
10
rc
C464
0.027
°A -
3
OP(
X
K
-12.91
-I
41II
41»
e
cr/
CASSETT
••••rn
weher
21t
,
luearer
TR4
51
KTC
732
M
n
R492
U
82K
CST
REC
IN
n
R494
U
6.8K
430.9
POWER
SWITCH
0501
0508
100/80
F504
T1A
C531
0.
1
0
IL
0503
IN
4001
0504
IN
4001
4.7/25
0.
1
0507
0.
1
BASS
100K8
TR452
KTC
732TM
3_
1
C44
I
+31.6
R501
•-.1=1-•
IN
4001
+30.81,
R5I6
5.6K
C433
5.6K
O
-
0
='
0 0
10501
UPC
574
R488
1K
R502
10
0510
31
ZD20
Tf
2SC
I.
1 1
.21
sponnungen
gemessen
in
Volt
mit
Messinstrun

Related product manuals