EasyManua.ls Logo

Dual CA 940 - Page 2

Dual CA 940
20 pages
Print Icon
To Next Page IconTo Next Page
To Next Page IconTo Next Page
To Previous Page IconTo Previous Page
To Previous Page IconTo Previous Page
Loading...
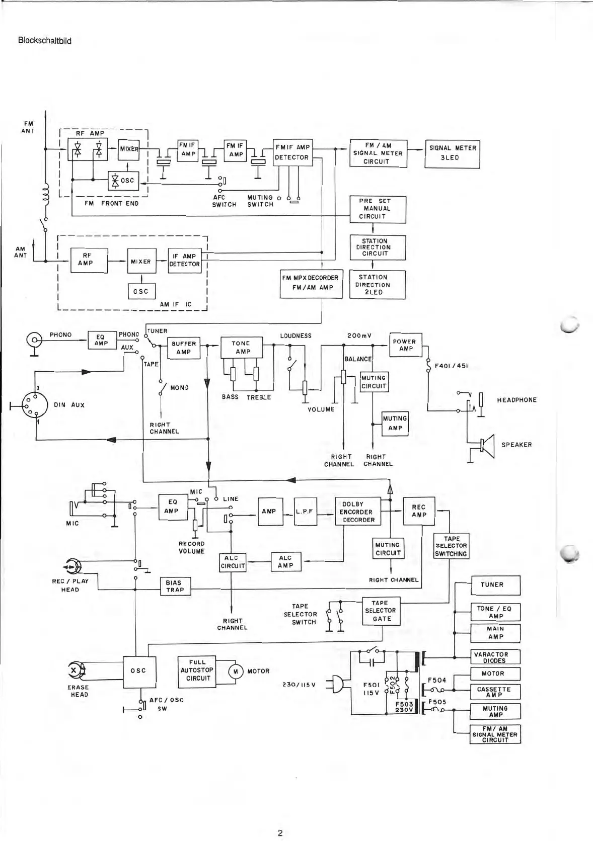
Blockschaltbild
FM
A
NT
AM
ANT
1
r----RF--,7.,,7----
..
i
-e
4
_
MIXER
OSC
FM
FRONT
END
F
A
M M
p
I
F
FM
IF
1 -
1
A
MP
FM
IF
AMP
DETECTOR
AFC
MUTING
SV/ITCH
SWITCH
01
FM
/
AM
SIGNAL
METER
CIRCUIT
RF
AMP
PHONO
EO
AMP
MIXER
DE
TECTOR
IF
AMP
0
SC
7
AM
IF
IC
FM
MP
X
DECORDER
FM
/AM
AMP
PHONO
ITUNER
0\
IP>
DIN
AUX
AUX
0
0
TAPE
BUFFER
AMP
MONO
RIGHT
CHANNEL
M
IC
«HD.
BASS
TREBLE
LOUDNESS
PRE
SET
MANUAL
CIRCUIT
STATION
DIRECTION
CIRCUIT
STATION
DIRECTION
2LED
200mV
BALANCE
VOLUME
RIGHT
CHANNEL
MUTING
CIRCUIT
MUTING
AMP
RIGHT RIGHT
CHANNEL
g
f:*
0
REC
/
PLAY
HEAD
M)
RECORD
VOLUME
BIAS
TRAP
0
0
LINE
0
A
LC
CIRCUIT
AMP
L.P.F
A
LC
AMP
DOLBY
ENCORDER
DECORDER
SIGNAL
METER
3LE
D
REC
AMP
MUTING
CIRCUIT
RIGHT
CHANNEL
RIGHT
CHANNEL
TAPE
SELECTOR
SWITCH
TAPE
SELECTOR
GATE
TAPE
SELECTOR
SWITCHING
ERASE
HEAD
0
SC
FULL
AUTOSTOP
CIRCUIT
AFC
/
OSC
H_OU
SW
0
MOTOR
230/115V
F501
I
15
V
csi
0
F503
230V
HE
ADPHONE
SPEAKER
TUNER
TONE
/
E0
AMP
MAIN
AMP
VARACTOR
010
DES
MOTOR
CASSETTE
AM
P
MUTING
AMP
FM/
AM
SIGNAL
METER
CIRCUIT
2

Related product manuals