EasyManua.ls Logo

Durablow TR2001 - Wiring for IPI Pilot Ignition Modules

Default Icon
7 pages
Print Icon
To Next Page IconTo Next Page
To Next Page IconTo Next Page
To Previous Page IconTo Previous Page
To Previous Page IconTo Previous Page
Loading...
4
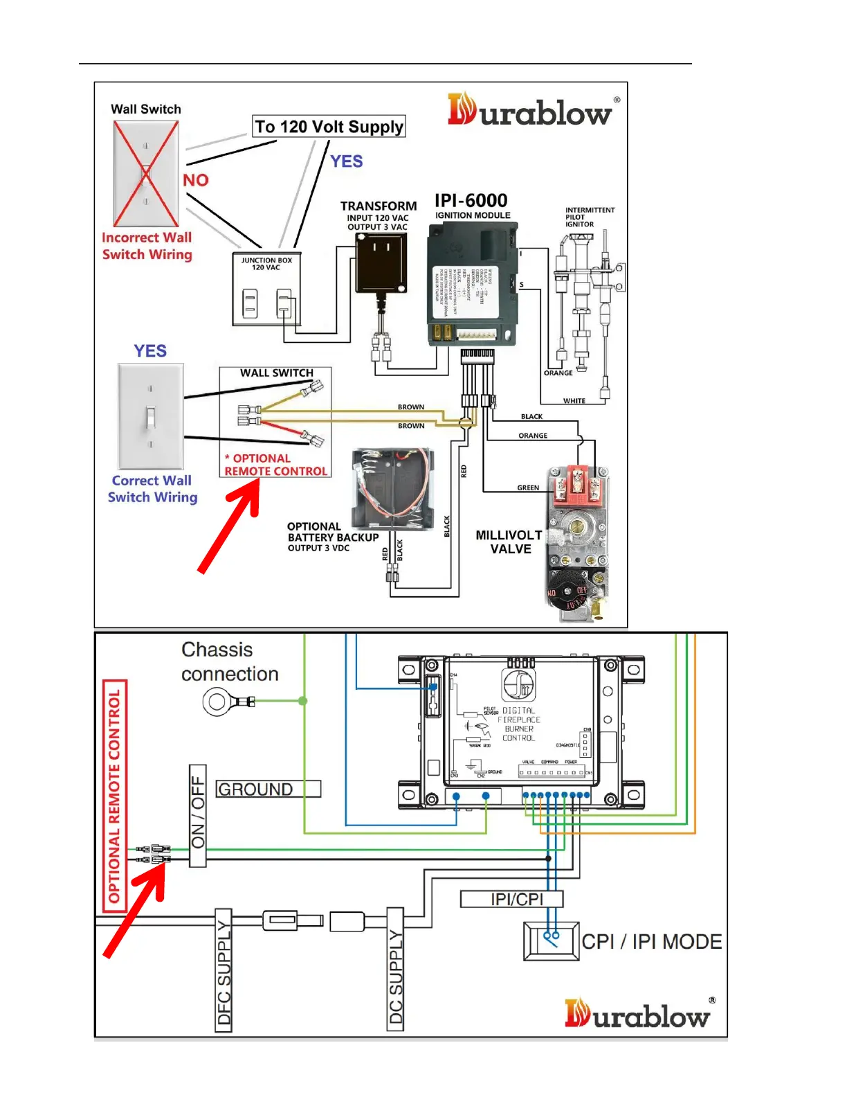
c. WIRING DEXEN (Fig. 5) or S.I.T (Fig. 6) ELECTRONIC IPI PILOT IGNITION CONTROL MODULE
Find the “OPTIONAL REMOTE CONTROL” wires to connect Durablow remote controls.
Fig. 5
Fig. 6

Related product manuals