EasyManua.ls Logo

EasyLine MF/914 - Page 369

EasyLine MF/914
Print Icon
To Next Page IconTo Next Page
To Next Page IconTo Next Page
To Previous Page IconTo Previous Page
To Previous Page IconTo Previous Page
Loading...
IDM-34607400900.tif
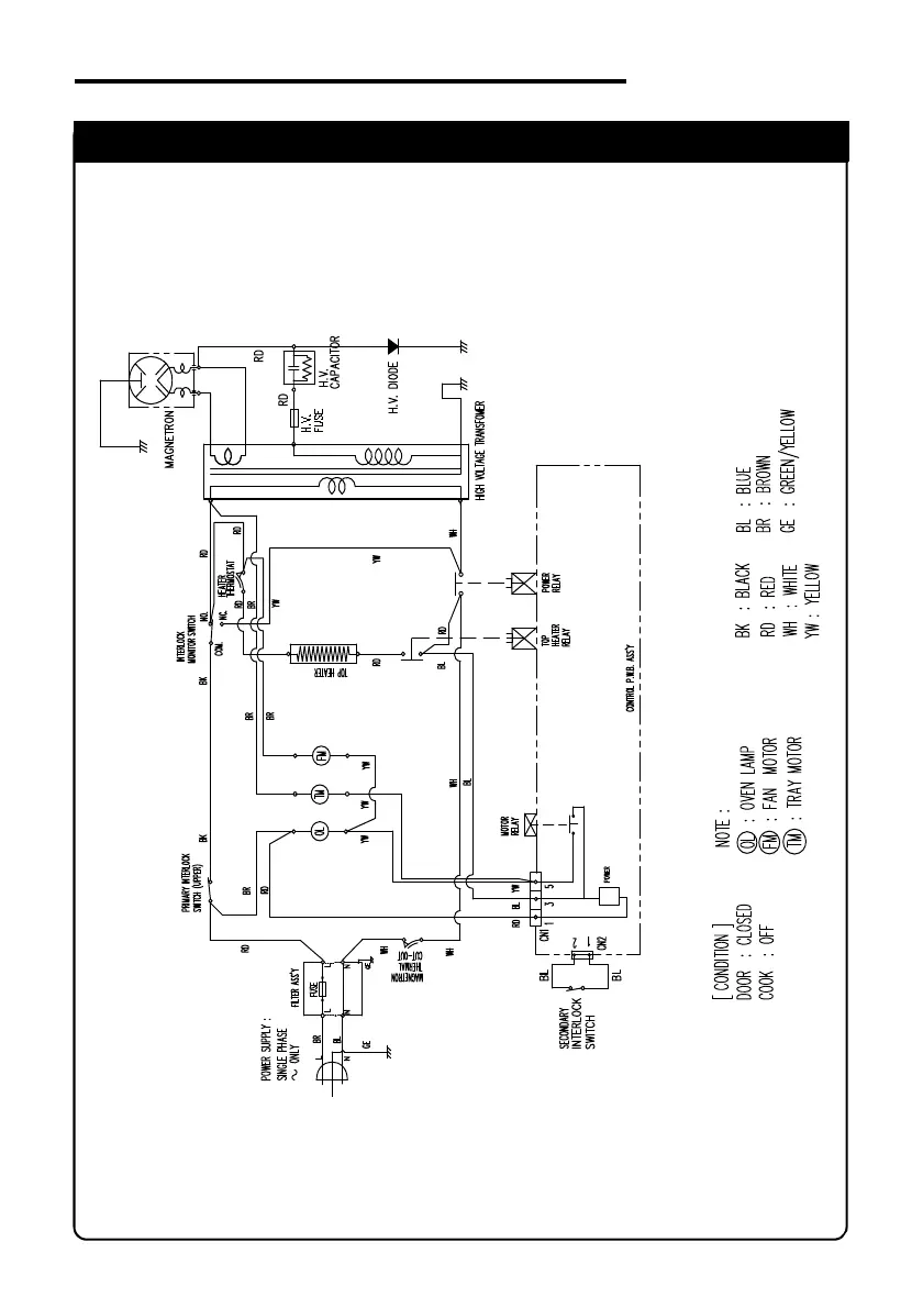
SCHEMA ELETTRICO
ELECTRIC DIAGRAM
MF/914

Table of Contents