EasyManua.ls Logo

EasyLine MF/914 - Page 371

EasyLine MF/914
Print Icon
To Next Page IconTo Next Page
To Next Page IconTo Next Page
To Previous Page IconTo Previous Page
To Previous Page IconTo Previous Page
Loading...
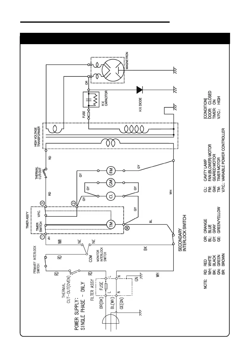
SCHEMA ELETTRICO
ELECTRIC DIAGRAM
ME/1630
IDM-34606900100.pdf
00 df

Table of Contents