EasyManua.ls Logo

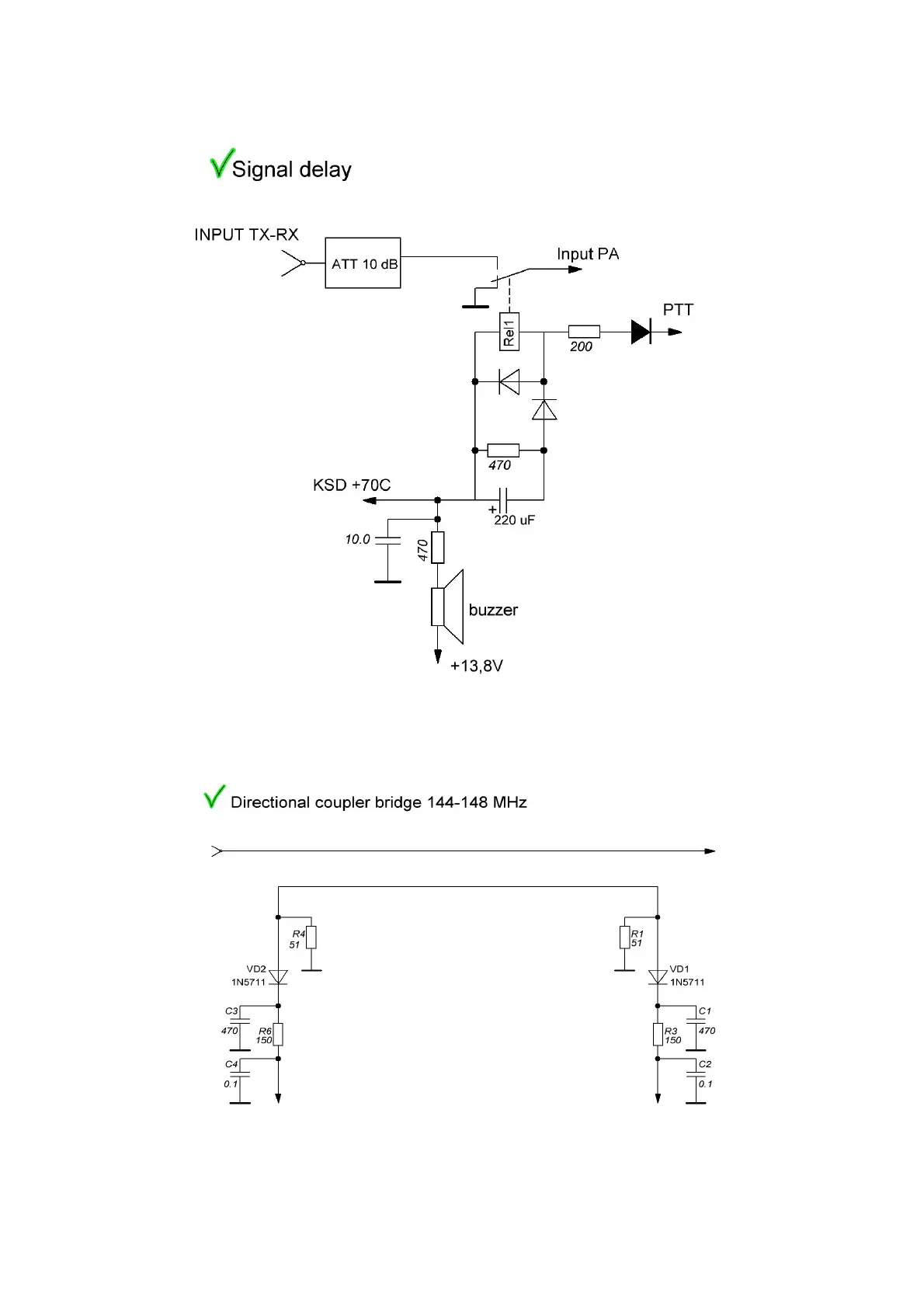
eb104 EB500 - Signal Delay Schematic; Directional Coupler Bridge Schematic

Default Icon
12 pages
Print Icon
To Next Page IconTo Next Page
To Next Page IconTo Next Page
To Previous Page IconTo Previous Page
To Previous Page IconTo Previous Page
Loading...

Related product manuals