EasyManua.ls Logo

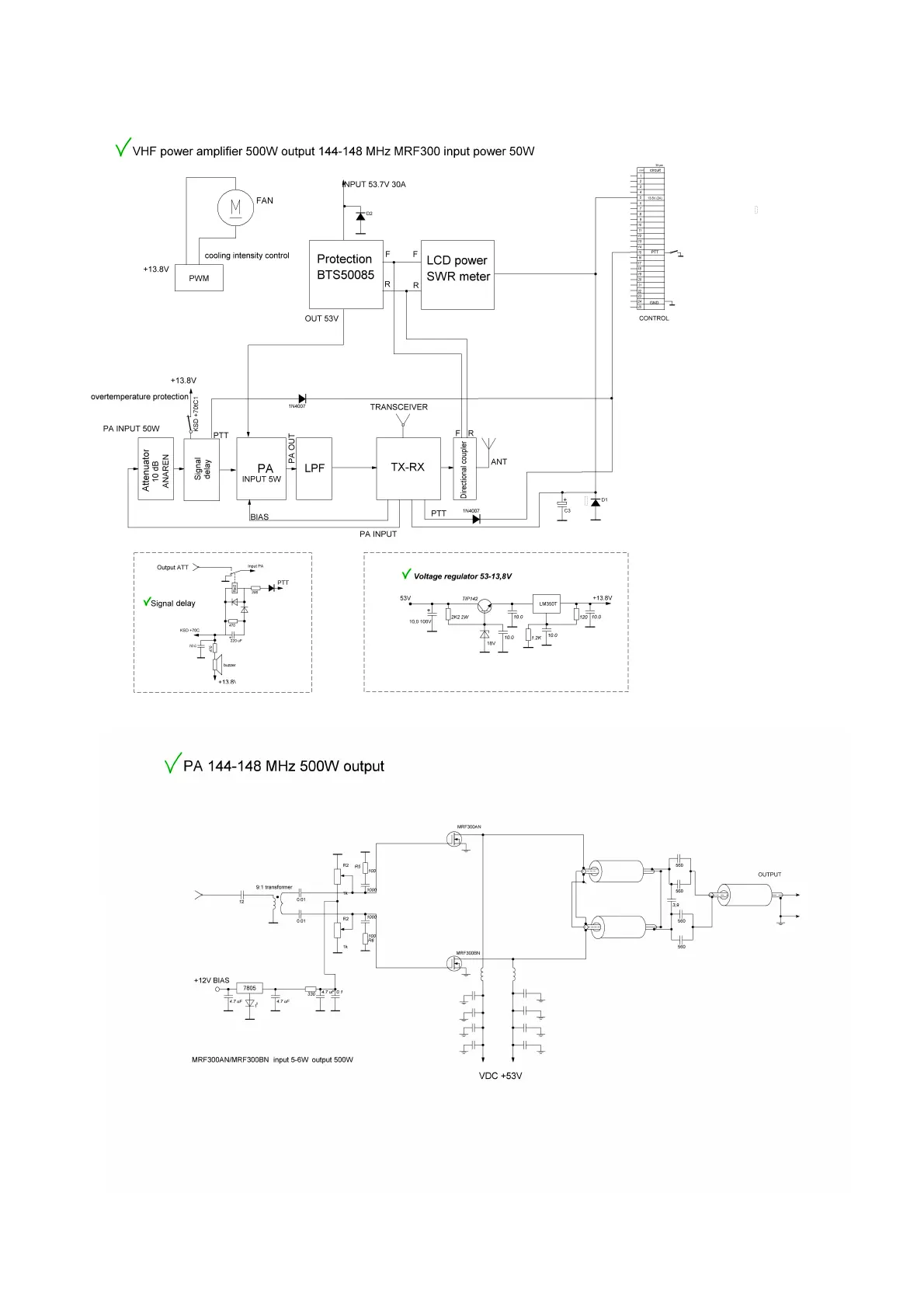
eb104 EB500 - EB500 Application Schematics

Default Icon
12 pages
Print Icon
To Next Page IconTo Next Page
To Next Page IconTo Next Page
To Previous Page IconTo Previous Page
To Previous Page IconTo Previous Page
Loading...
Application

Related product manuals