EasyManua.ls Logo

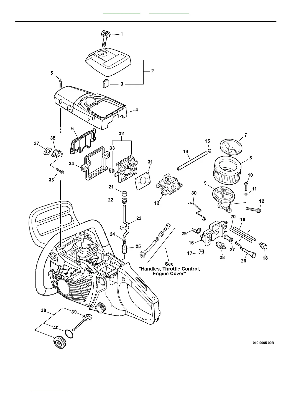
Echo CS-400 - SERIAL NUMBER C10013001001-C10013999999 - Intake, Cylinder Cover, and Fuel System

Echo CS-400 - SERIAL NUMBER C10013001001-C10013999999
34 pages
Print Icon
To Next Page IconTo Next Page
To Next Page IconTo Next Page
To Previous Page IconTo Previous Page
To Previous Page IconTo Previous Page
Loading...
99922204127 - 4 - REVISED 03/02/11
Table of Contents Part Number Index
CS-400 Chain Saw Intake, Cylinder Cover, Ignition Switch, Fuel System

Related product manuals