EasyManua.ls Logo

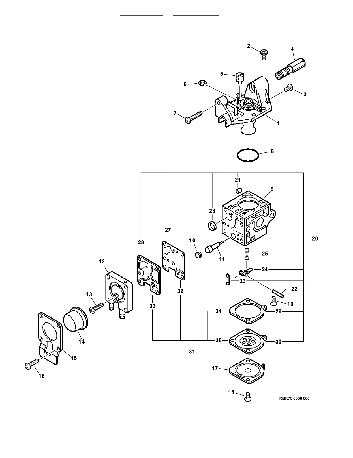
Echo HC-150 HEDGE TRIMMER - PARTS CATALOG SERIAL NUMBER 10001001-10999999 - Carburetor Assembly RB-K75

Echo HC-150 HEDGE TRIMMER - PARTS CATALOG SERIAL NUMBER 10001001-10999999
24 pages
Print Icon
To Next Page IconTo Next Page
To Next Page IconTo Next Page
To Previous Page IconTo Previous Page
To Previous Page IconTo Previous Page
Loading...
99922203278_150/10 - 6 - REVISED 04/30/09
Table of Contents Part Number Index
HC-150 Hedge Trimmer Carburetor -- RB-K75

Related product manuals