EasyManua.ls Logo

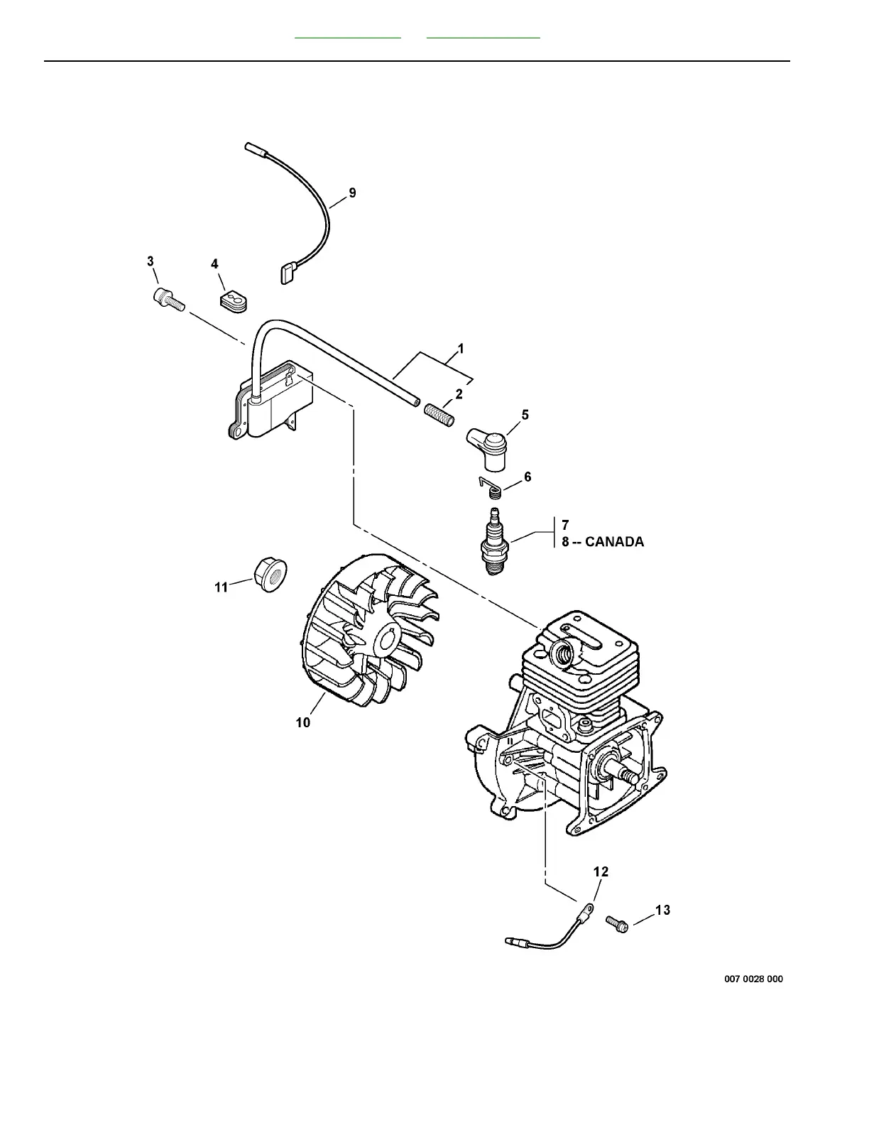
Echo PAS-260 PRO - PARTS CATALOG SERIAL NUMBER 05001001-05999999 - Ignition System Components

Echo PAS-260 PRO - PARTS CATALOG SERIAL NUMBER 05001001-05999999
40 pages
Print Icon
To Next Page IconTo Next Page
To Next Page IconTo Next Page
To Previous Page IconTo Previous Page
To Previous Page IconTo Previous Page
Loading...
99922203280_260/05 - 20 - REVISED 10/21/08
Table of Contents Part Number Index
PAS-260 Pro Attachment Series Ignition

Related product manuals