EasyManua.ls Logo

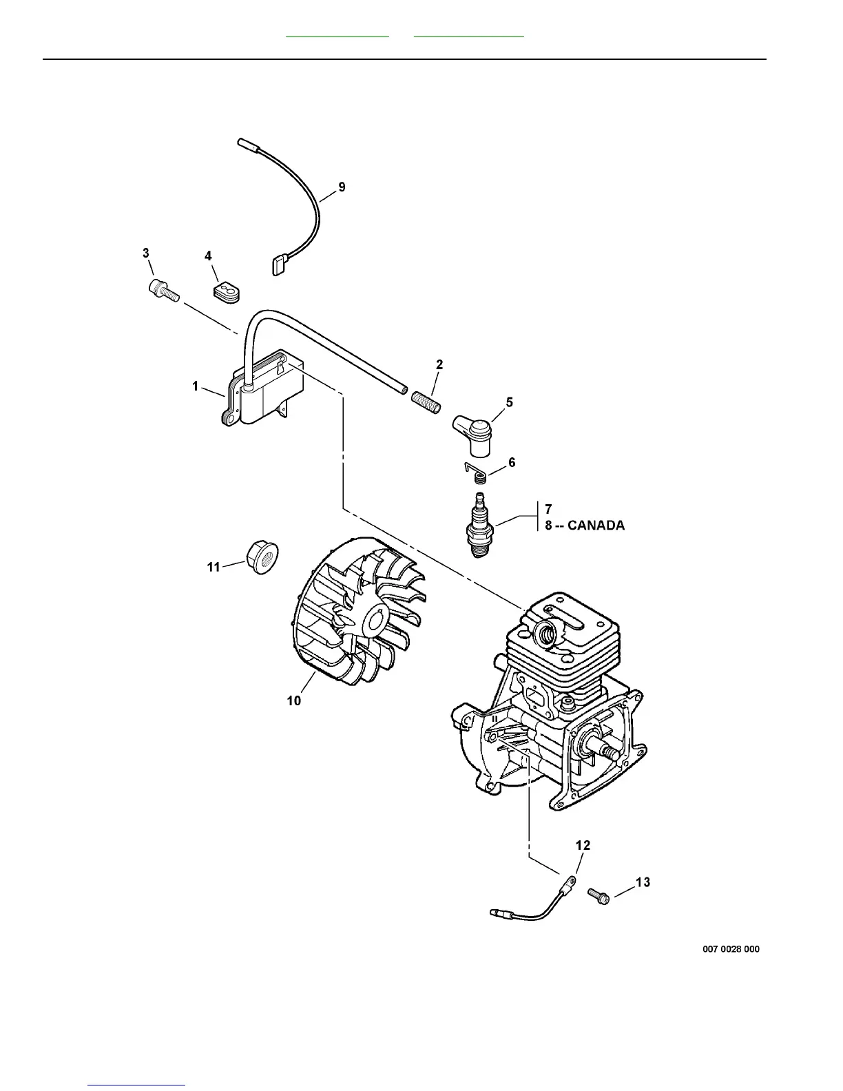
Echo PPT-260 - PARTS CATALOG SERIAL NUMBERS E07911001001-E07911999999 - Ignition

Echo PPT-260 - PARTS CATALOG SERIAL NUMBERS E07911001001-E07911999999
38 pages
Print Icon
To Next Page IconTo Next Page
To Next Page IconTo Next Page
To Previous Page IconTo Previous Page
To Previous Page IconTo Previous Page
Loading...
99922204141 - 18 - REVISED 02/03/11
Table of Contents Part Number Index
PPT-260 Power Pruner Ignition

Related product manuals