EasyManua.ls Logo

Echo SRM-230 - PARTS CATALOG SERIAL NUMBERS 05001001-05999999 - Page 14

Echo SRM-230 - PARTS CATALOG SERIAL NUMBERS 05001001-05999999
52 pages
To Next Page IconTo Next Page
To Next Page IconTo Next Page
To Previous Page IconTo Previous Page
To Previous Page IconTo Previous Page
Loading...
99922203528_230/05 - 14 - REVISED 05/19/09
Table of Contents Part Number Index
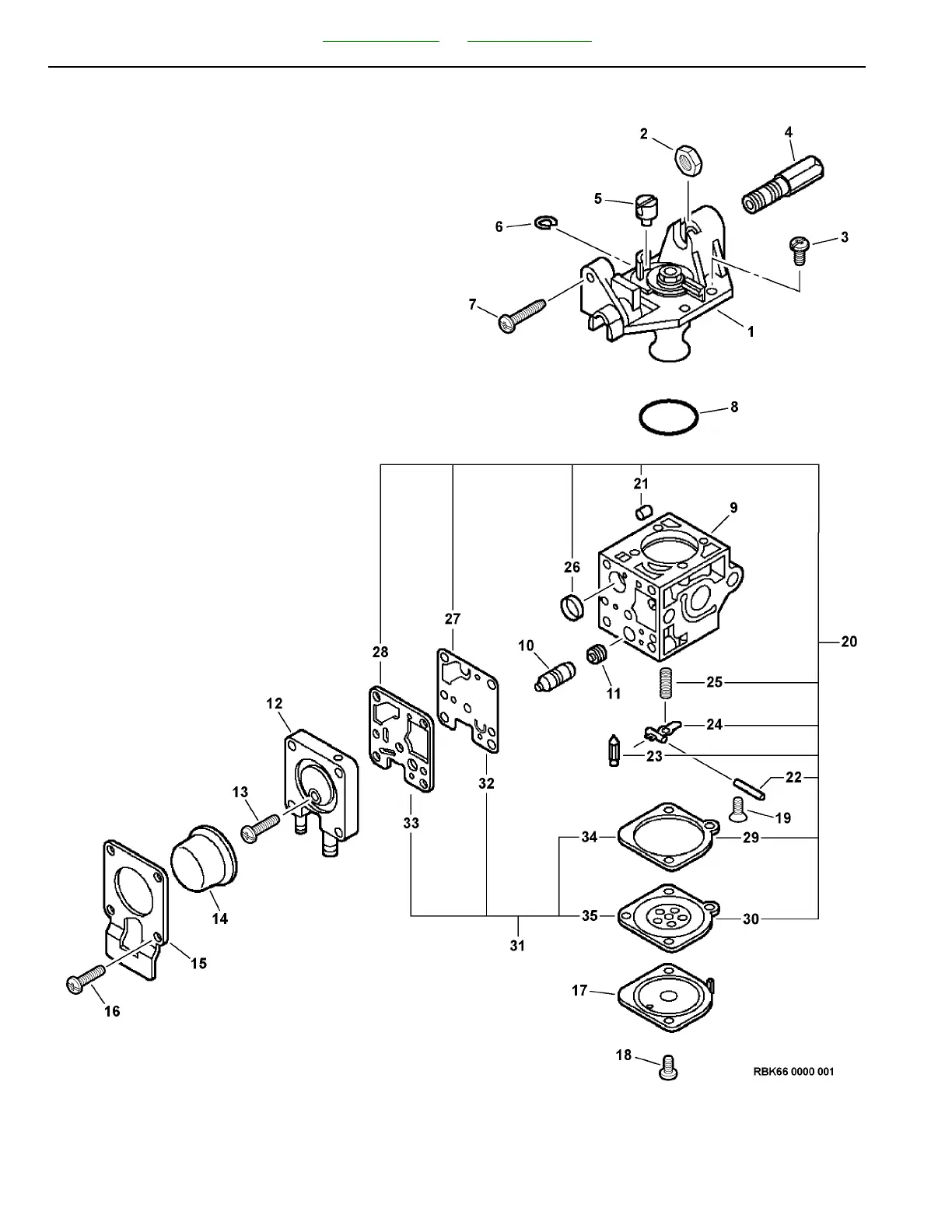
SRM-230 Trimmer Carburetor -- RB-K66 S/N: 05001001 - 05004893

Related product manuals