EasyManua.ls Logo

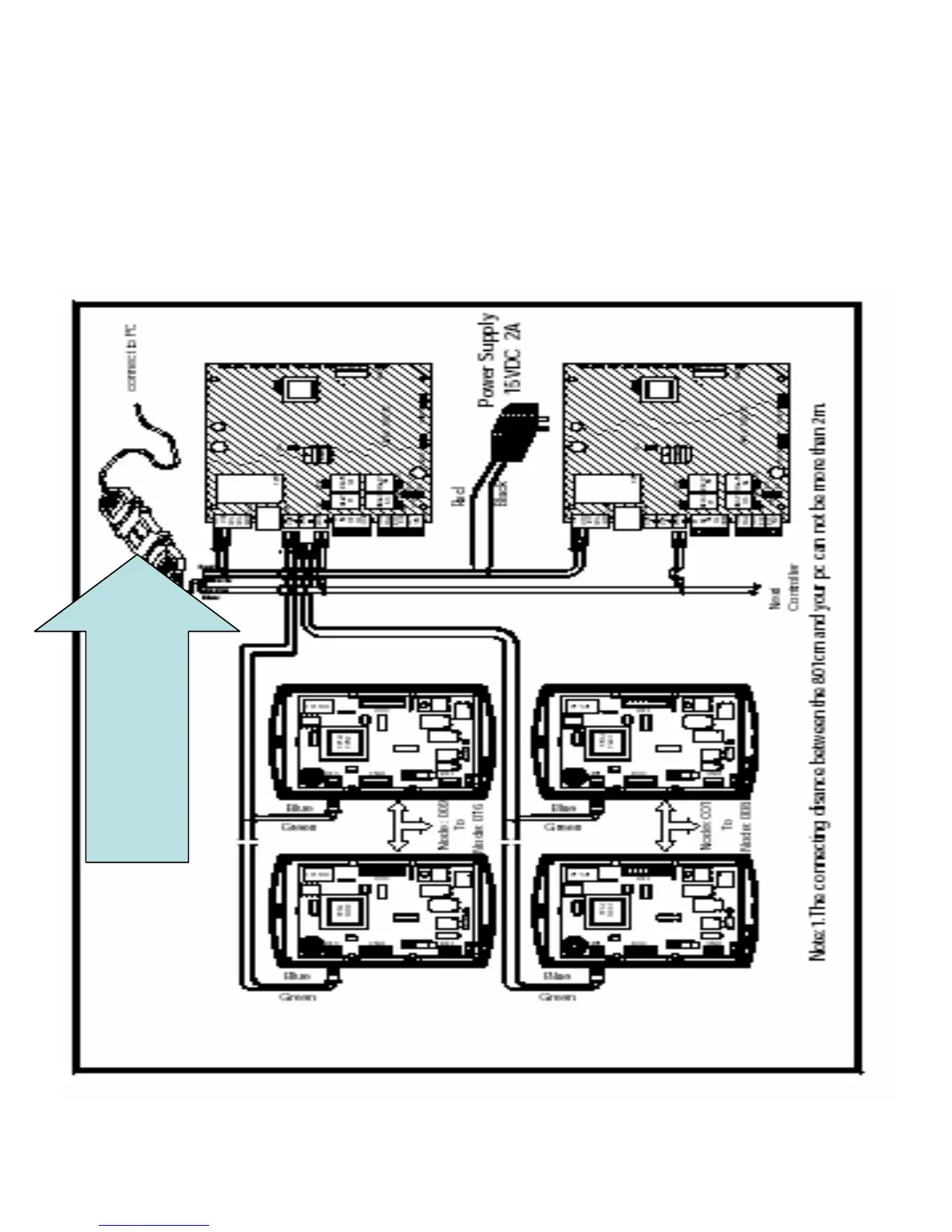
Eclipse ACC-900 - Networking Installation Diagram

Eclipse ACC-900
13 pages
Print Icon
To Previous Page IconTo Previous Page
To Previous Page IconTo Previous Page
Loading...
Networking Install
Or
Or
CAT5
CAT5
Crossover
Crossover
Cable
Cable