EasyManua.ls Logo

Ecomiser SU-01 - Installation Instructions; Electrical Supply and Grounding; Water and Drain Connections

Ecomiser SU-01
23 pages
Print Icon
To Next Page IconTo Next Page
To Next Page IconTo Next Page
To Previous Page IconTo Previous Page
To Previous Page IconTo Previous Page
Loading...
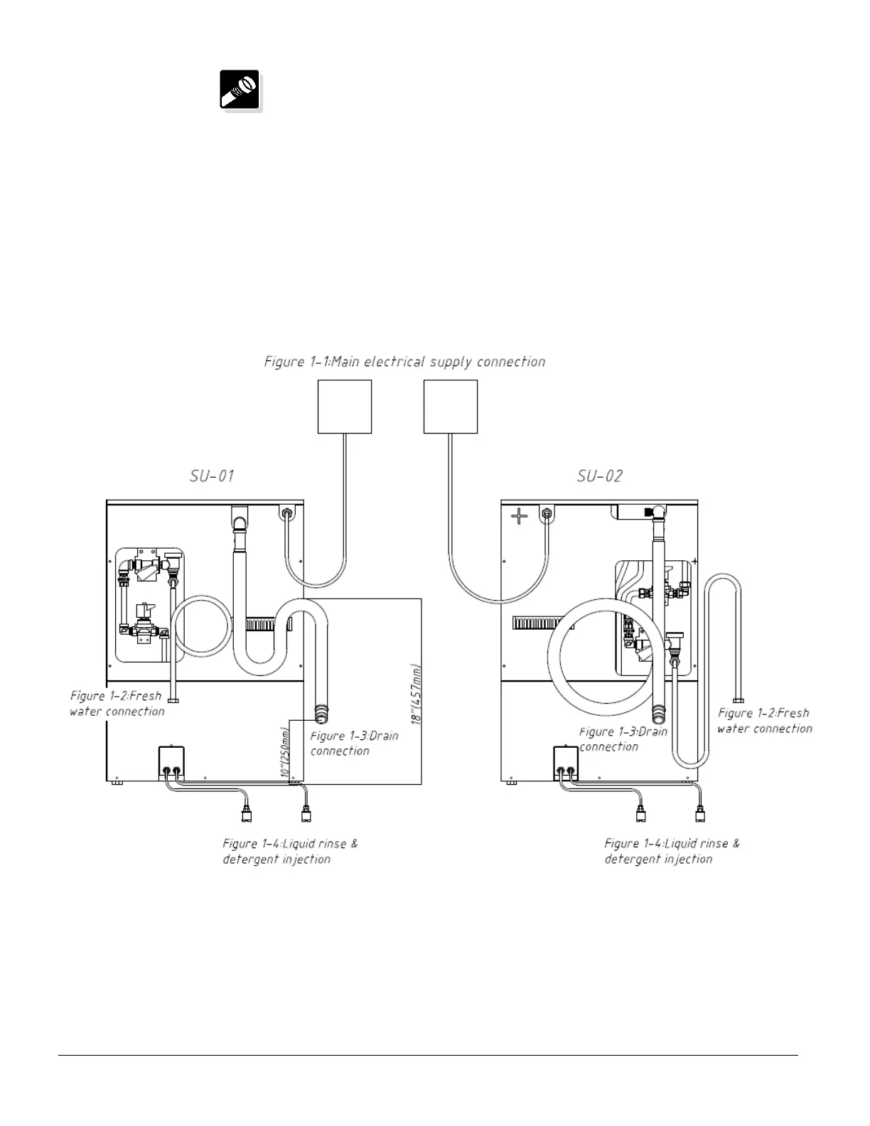
INSTALLATION INSTRUCTIONS
Read these instructions carefully and completely before you install the machine. The installation
should be carried out by a qualified technician who is familiar with all local codes and ordinances for
electrical and plumbing connections. If a commercial dishwasher is being installed in this area for the
first time, most of the cabinet work, plumbing, and electrical has to be done before moving the
machine into place. In the case of replacing an old dishwasher, check the plumbing and wiring
connections before moving the new dishwasher into place. Reasonable access to and around the
dishwasher for service must be provided
Installation Instruction
Ecomiser SU-01 / SU-02 Manual Rev. 06 Page 8 of 23