EasyManua.ls Logo

Econar GeoSource 2000 - Page 20

Econar GeoSource 2000
24 pages
Print Icon
To Next Page IconTo Next Page
To Next Page IconTo Next Page
To Previous Page IconTo Previous Page
To Previous Page IconTo Previous Page
Loading...
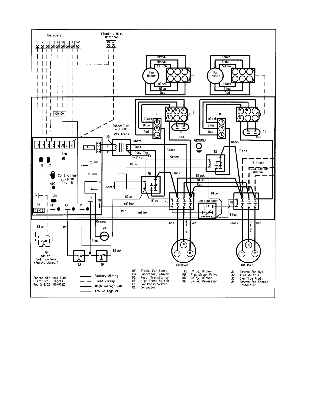
Figure 6 Wiring Diagram, Forced Air Models [GH(98,120)x-x-TxTx]
18

Related product manuals