EasyManua.ls Logo

Ecotechnics XK360 - HYDRAULICAL DIAGRAM

Default Icon
48 pages
Print Icon
To Next Page IconTo Next Page
To Next Page IconTo Next Page
To Previous Page IconTo Previous Page
To Previous Page IconTo Previous Page
Loading...
The data, information and descriptions, and the technology described herein are the exclusive intellectual property of Ecotechnics S.p.A. and constitute industrial
secrets. Said information is communicated in strict confidentiality; said information may be used only for the purpose for which it is communicated; said information
may not be divulged, communicated, or revealed to third parties and/or reproduced by any means for any reason whatsoever; said information is protected under
applicable Italian competition and industrial property law.
pag.34 - 18/10/2005 Service manual VA500-VA750 ed.1 ver.5.05 [MANU360.SA0].doc
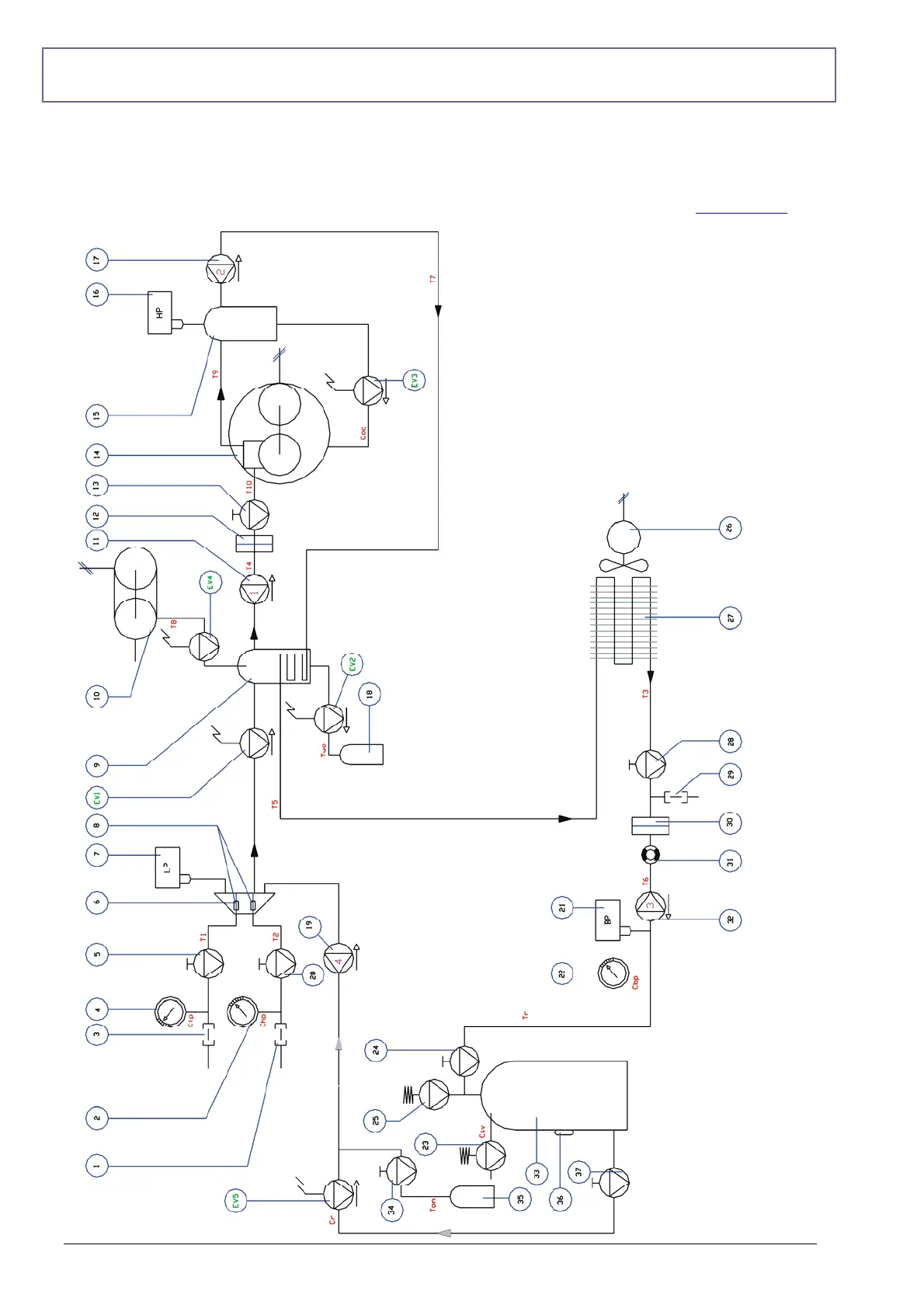
HYDRAULICAL DIAGRAM
1) High pressure
2) High pressure Manometer
3) Low pressure
4) Low pressure Manometer
5) Low pressure valve
6) Distributor
7) Low pressure switch
8) Mechanical filter
9) Oil evaporator/separator
10) Vacuum pump
11) Check valve
12) Humidity and acidity filter
13) Filter service valve
14) Compressor
15) Oil separator
16) Safety pressure switch (17,5 bar)
17) Check valve
18) Used oil container
19) Check valve
20) High pressure valve
21) Bottle heater pressure switch (*)
22) Bottle pressure Manometer
23) Safety valve (15 bar)
24) Vapour part bottle valve
25) Bottle safety valve (15 bar)
26) Electric fan
27) Condenser
28) Filter service valve
29) Filter service connection
30) Humidity and acidity filter
31) Humidity indicator
32) Check valve
33) Storage bottle
34) Dye tracer container
35) New oil container
36) Bottle temperature probe (*)
37) Liquid part bottle valve
EV1: inlet evaporator
EV2: oil discharge
EV3: oil compressor refill
EV4: vacuum
EV5: refilling
(*) ONLY MODEL XK360
*
*
*

Table of Contents

Related product manuals