EasyManua.ls Logo

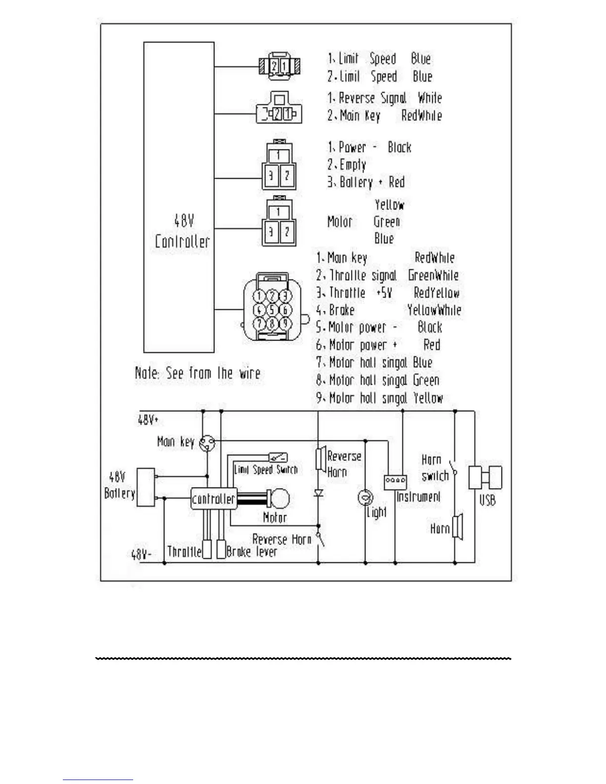
ECOTRIKES ET4 - Wiring Diagram

Default Icon
48 pages
Print Icon
To Next Page IconTo Next Page
To Next Page IconTo Next Page
To Previous Page IconTo Previous Page
To Previous Page IconTo Previous Page
Loading...
22
W
W
i
i
r
r
i
i
n
n
g
g
D
D
i
i
a
a
g
g
r
r
a
a
m
m
EcoTrikes