EasyManua.ls Logo

ED EPT20-15EHJ - Load Wheels; Load Wheels: Disassembly and Assembly

Default Icon
29 pages
Print Icon
To Next Page IconTo Next Page
To Next Page IconTo Next Page
To Previous Page IconTo Previous Page
To Previous Page IconTo Previous Page
Loading...
1
REV. 03/2015
LOAD WHEELS
1.LOAD WHEELS
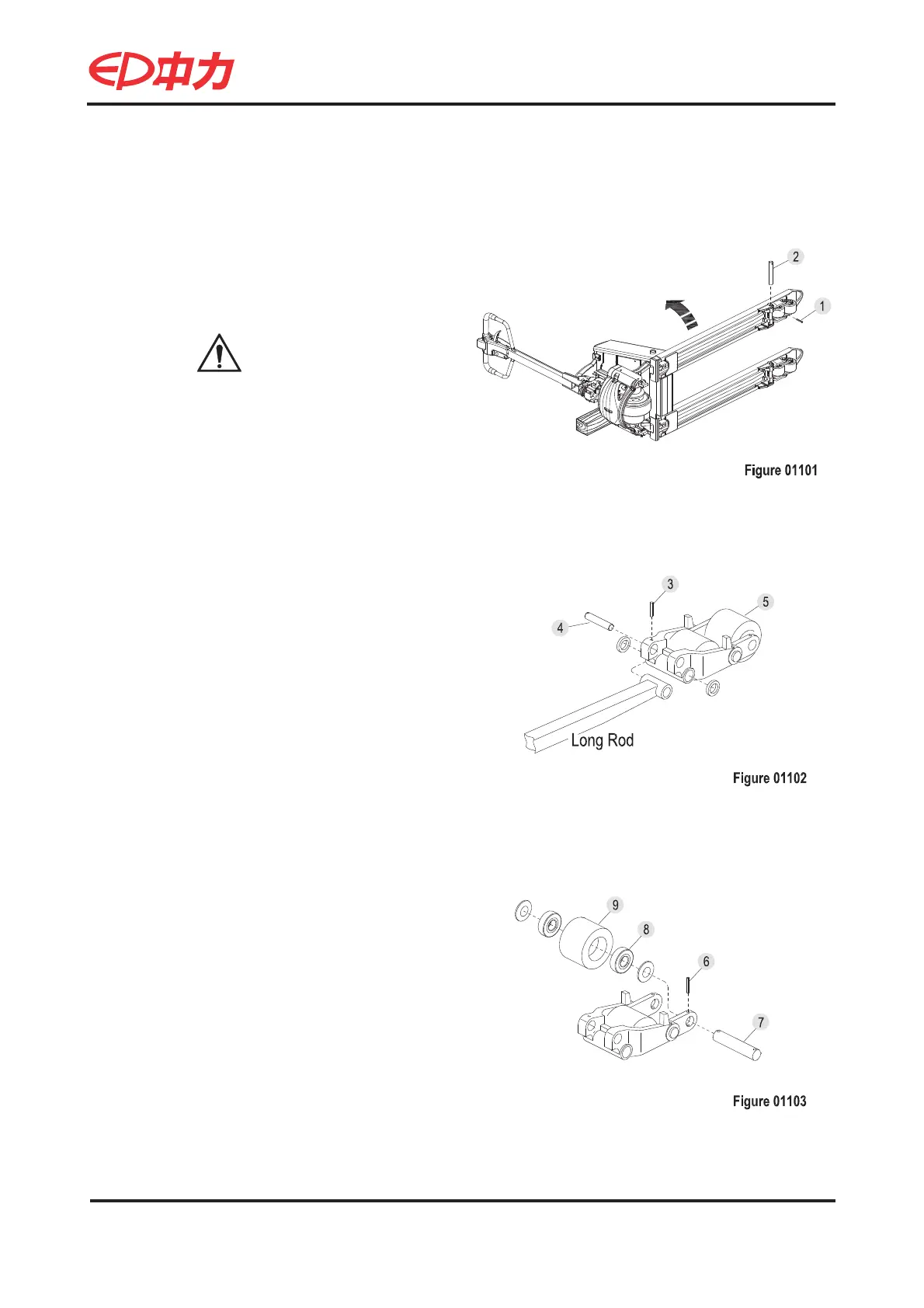
Place hardwood block under the Frame as shown in
Figure 01101.Remove the riser pivot shaft (index 2)
after extracting roll pin (index 1).
Remove the riser pivot shaft (index 4) after
extracting roll pin (index 3) as shown in Figure
01102.Then the wheel bracket assembly (index 5)
can be replace.
If the load wheel (index 9) is only replaced, the
riser pivot shaft (index 7) will have to be removed
after extracting roll pin (index 6) as shown in Figure
01103.Remove the bearings (index 8) and change
the load wheel (index 9).
CAUTION
In order to avoid scratching the surface of vehicle,put
a piece of rubber mat on the hardwood block.
1.1 Disassembly and Assembly