EasyManua.ls Logo

EdilKamin ECOIDRO - Page 9

EdilKamin ECOIDRO
Print Icon
To Next Page IconTo Next Page
To Next Page IconTo Next Page
To Previous Page IconTo Previous Page
To Previous Page IconTo Previous Page
Loading...
ITALIANO
9
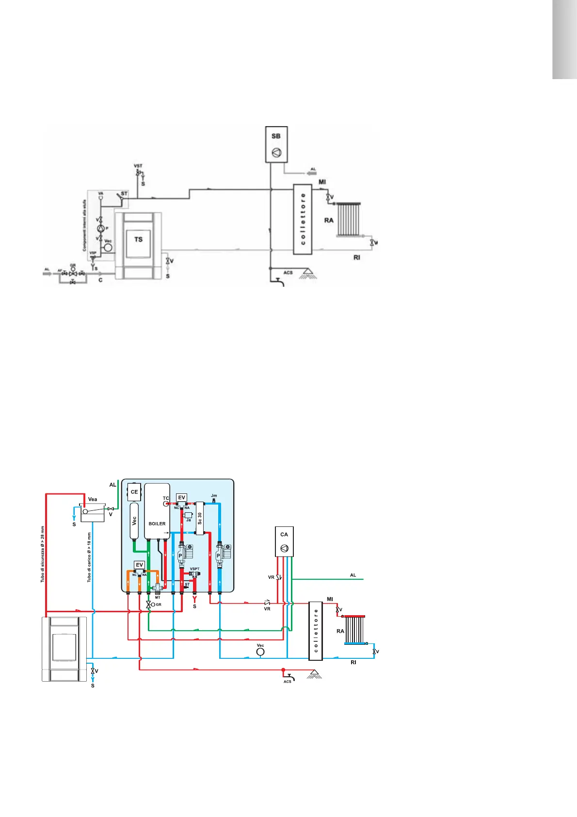
Impianto per riscaldamento abbinato a scaldabagno.
Il presente schema è indicativo, la corretta installazione è a cura dell’idraulico.
LEGENDA
ACS: Acqua Calda Sanitaria
AF: Acqua Fredda
AL: Alimentazione rete idrica
C: Carico/Reintegro
GR: Riduttore di pressione
MI: Mandata Impianto
P: Pompa (circolatore)
RA: Radiatori
RI: Ritorno Impianto
S: Scarico
SB: Scaldabagno
ST: Sonda Temperatura
TS: Termostufa
V: Valvola a sfera
VA : Valvola automatica scarico aria
Vec: Vaso espansione chiuso
VSP: Valvola di sicurezza
VST: Valvola di scarico termico
Impianto con produzione istantanea di acqua calda sanitaria con IDROKIT assemblato a caldaia a
gas.
Il presente schema è indicativo, la corretta installazione è a cura dell’idraulico.
LEGENDA
ACS: Acqua Calda Sanitaria
AF: Acqua Fredda
AL: Alimentazione rete idrica
C: Carico/Reintegro
CE: Centralina elettronica
EV: Elettrovalvola a 3 vie
NA: Normalmente Aperta
NC: Normalmente Chiusa
GR: Riduttore di pressione
Ja: Jolly di sfiato automatico
Jm: Jolly di sfiato manuale
MI: Mandata Impianto
MT: Miscelatore termostatico
P: Pompa (circolatore)
RA: Radiatori
RI: Ritorno Impianto
S: Scarico
SC30: Scambiatore a 30 piastre
ST: Sonda Temperatura
TC: Termostato a contatto
TM: Termostufa
V: Valvola a sfera
Vea: Vaso espansione aperto
Vec: Vaso espansione chiuso
VR: Valvola di non ritorno
VSPT: Valvola di sicurezza press temp
VCA: Caldaia
IDROKIT
TM
sk ecoidro_multilingue_vers F 28 04 2011.qxp 29/04/2011 15.26 Pagina 10

Related product manuals