EasyManua.ls Logo

Effekta ES2200 - Page 24

Effekta ES2200
84 pages
Print Icon
To Next Page IconTo Next Page
To Next Page IconTo Next Page
To Previous Page IconTo Previous Page
To Previous Page IconTo Previous Page
Loading...
Photovoltaic Solar Inverter Series ES
Assembly
ES series
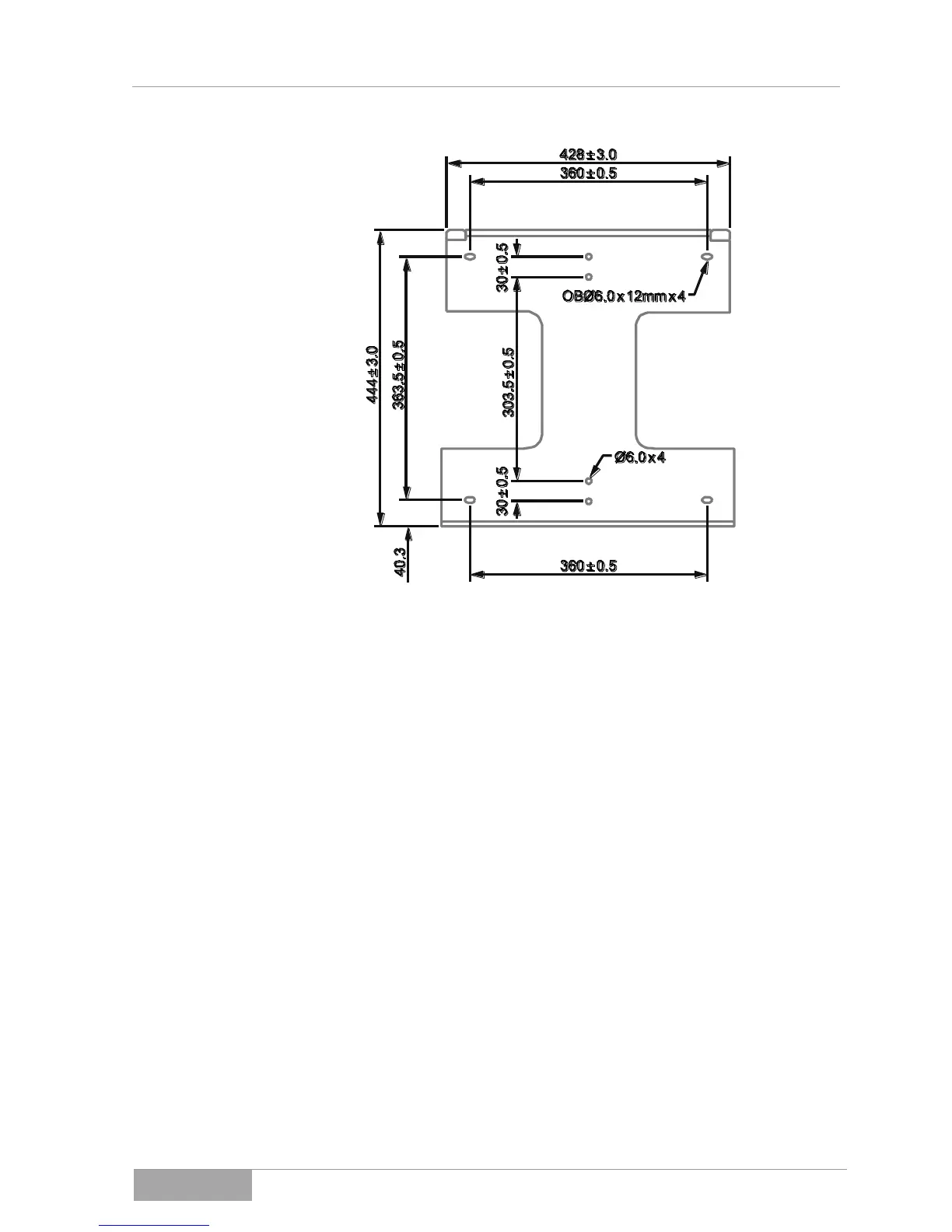
Fig. 4-1 - 2 Wall mounting for photovoltaic solar inverter ES4200 / ES5000

Related product manuals