EasyManua.ls Logo

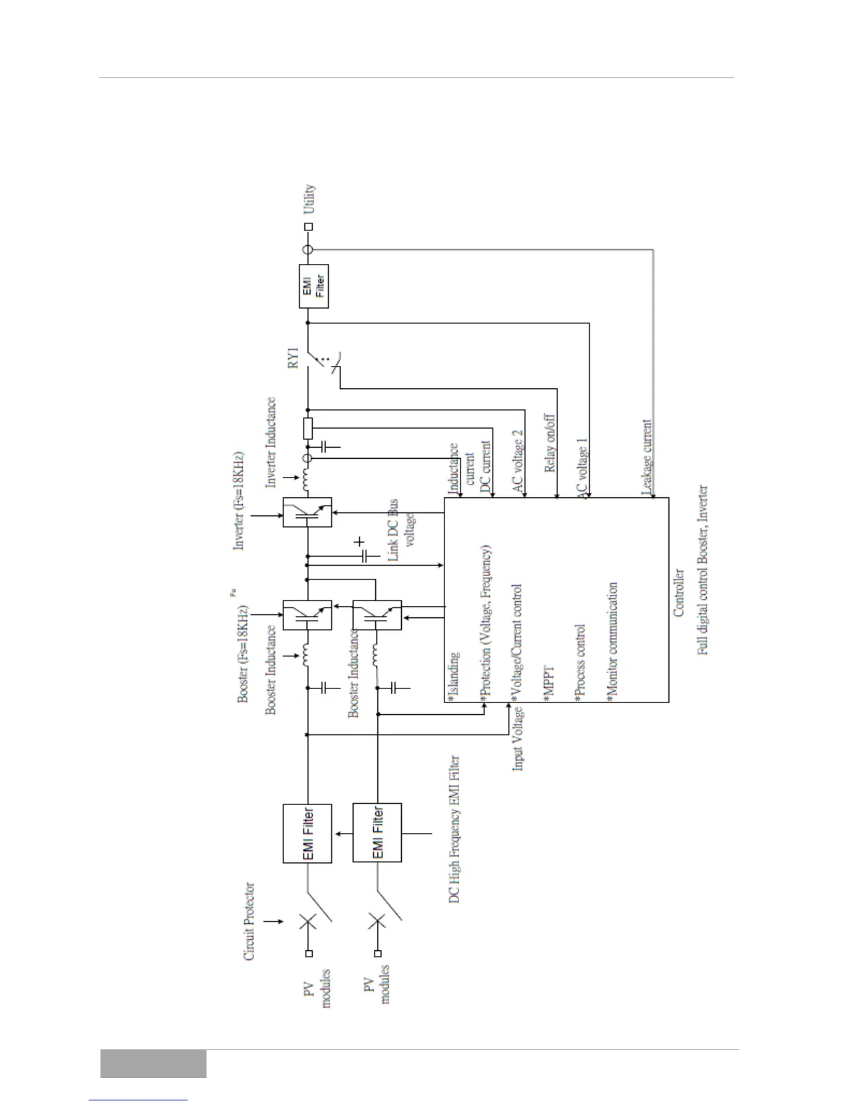
Effekta ES5000 - ES4200; ES5000 Block Diagram

Effekta ES5000
84 pages
Print Icon
To Next Page IconTo Next Page
To Next Page IconTo Next Page
To Previous Page IconTo Previous Page
To Previous Page IconTo Previous Page
Loading...
Photovoltaic Solar Inverter Series ES
Technical Data
ES series
75
11.3 ES4200 / ES5000 Block Diagram

Related product manuals