EasyManua.ls Logo

EINHELL SB 701 - Page 42

EINHELL SB 701
49 pages
Print Icon
To Next Page IconTo Next Page
To Next Page IconTo Next Page
To Previous Page IconTo Previous Page
To Previous Page IconTo Previous Page
Loading...
40
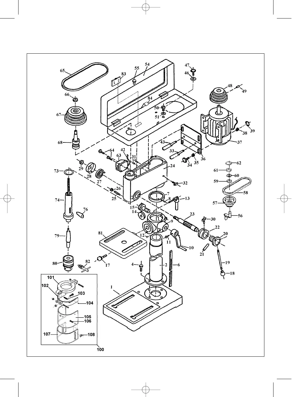
Ersatzteilzeichnung Säulenbohrmaschine SB 701 Art.-Nr.: 42.505.80 I.-Nr.: 91017
Anleitung SB 701-12 sprachig 09.11.2001 8:22 Uhr Seite 40

Related product manuals