EasyManua.ls Logo

Elcon MUX 2700 - Page 29

Default Icon
30 pages
Print Icon
To Next Page IconTo Next Page
To Next Page IconTo Next Page
To Previous Page IconTo Previous Page
To Previous Page IconTo Previous Page
Loading...
- 28 -
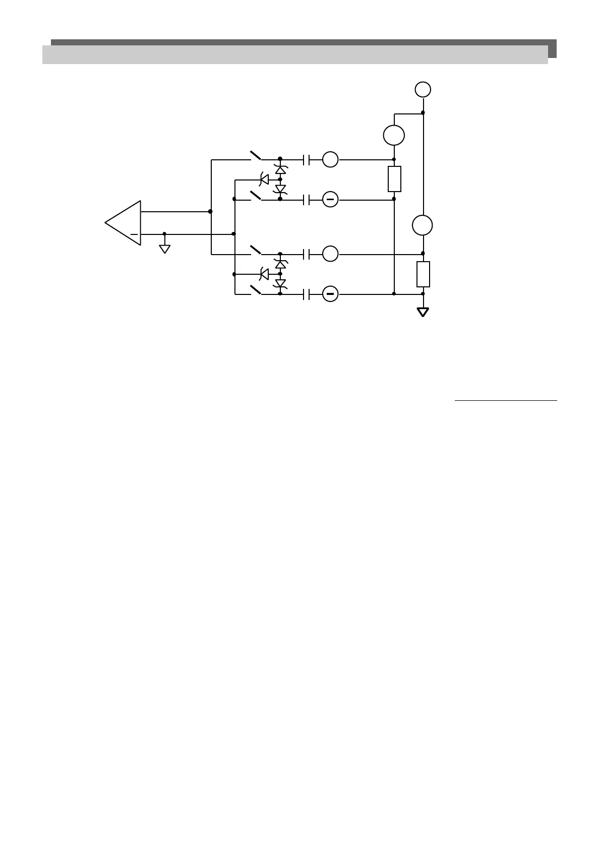
As a final remark, we can observe that, whatever is the field-loops isolation or connection, a single capacitor fault
plus any other possible additional fault within the MUX 2700 never results in any errors induced from the MUX 2700
on any 4-20mA loop.
12.5 Conclusions
By this note, it was possible to clarify how the MUX 2700 isolation structure is such to guarantee both an high level
of application flexibility and a good reliability and fault tolerance (as for induced errors).
The presence of two series capacitors on each 4-20mA loop was discussed and the advantages of the solution
explained.
Some safety related issues were finally discussed, showing that, with a minimum of application-related analysis,
the MUX 2700 can be designed so to minimise the probability of any electrical feedback on the connected 4-20mA
loops.
IM-ENG-116/GB
A
+
+
CHx
+
CHy
+
24 Vdc
R < 300 Ohm
Tx
Tx
R
R
GND
FIG. 10
COMMON-POINT FIELD LOOPS CONFIGURATION