EasyManua.ls Logo

elddis Accordo 2021 - Connecting to Amplifier & Operation

elddis Accordo 2021
108 pages
Print Icon
To Next Page IconTo Next Page
To Next Page IconTo Next Page
To Previous Page IconTo Previous Page
To Previous Page IconTo Previous Page
Loading...
9-42
HOW TO USE YOUR MOTORHOME’S EQUIPMENT
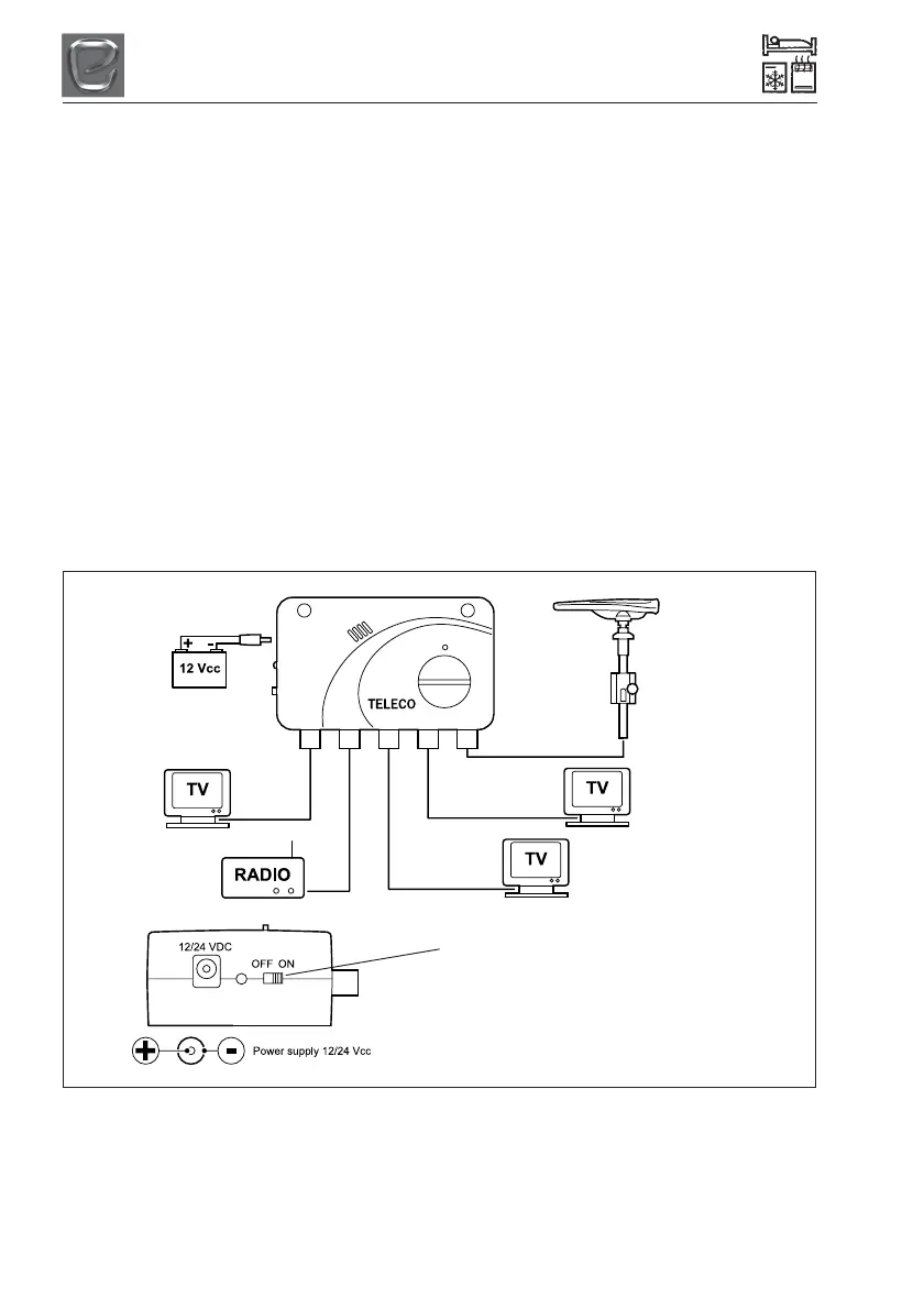
Connection to the amplifier
Connect the lead exiting from the pole to the ANT input of the amplifier. Connect with the
relevant lead, the TV connector of the amplifier with the television. Connect the amplifier to 12
Vdc source, making sure you do not invert the + and - terminals.
Operating Instructions
1) Rotate slowly the dB dial of the amplifier clockwise to the maximum +
2) Tune the television to a channel available in the area where you are located.
3) Rotate and lift the antenna via the suitable pole until you get the best image on the TV.
Useful Tips
Not all the television signals you can receive in the zone where you are located will necessarily
originate from the same direction. So if the quality of a programme image is poor try rotating the
antenna as the signal may be coming from a direction different from the others.
Gain Adjustment
With the dB dial turned all the way clockwise, amplifier sensitivity will be at maximum and it is
therefore able to receive the weakest signals. If, instead, the signals are too strong the images
on the TV screen can have some stop or macroblocks. In this case rotate the dB dial anti-
clockwise slowly until the image is perfect.
If the amplifier is connected to the
battery this switch allows to cut-off
the power.

Table of Contents

Related product manuals