EasyManua.ls Logo

elddis Buccaneer - Wiring Diagram - Buccaneer

elddis Buccaneer
144 pages
Print Icon
To Next Page IconTo Next Page
To Next Page IconTo Next Page
To Previous Page IconTo Previous Page
To Previous Page IconTo Previous Page
Loading...
15-1
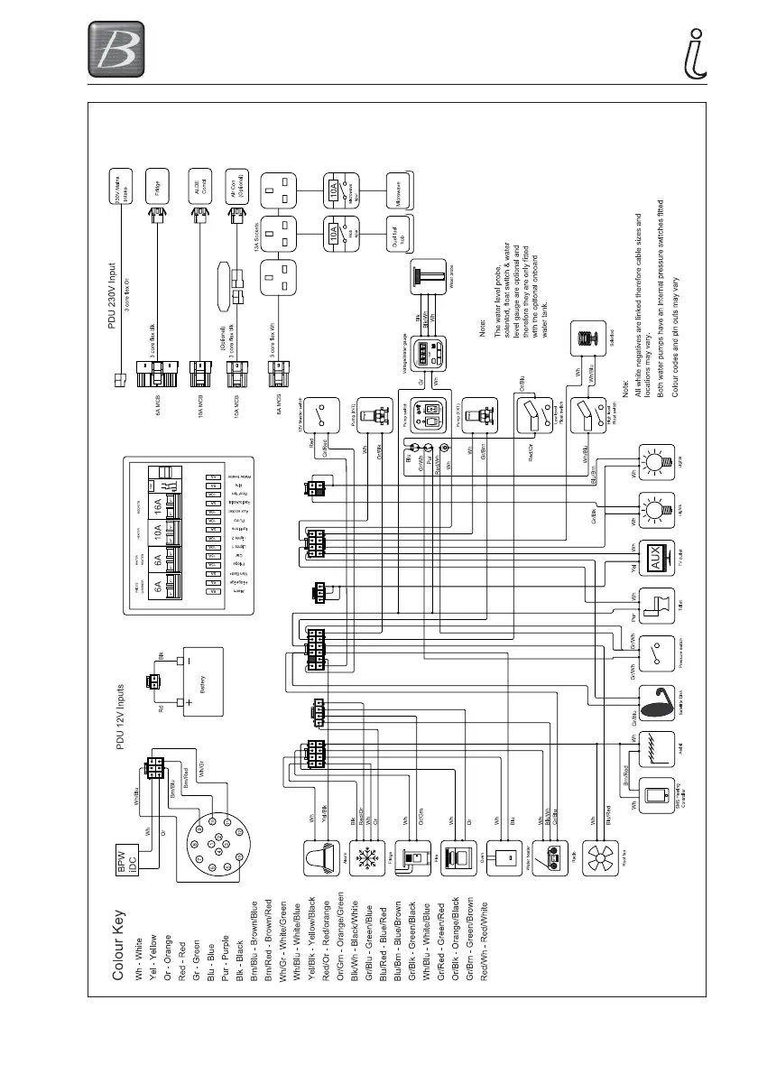
ELECTRICAL DRAWINGS
WIRING DIAGRAM - BUCCANEER

Table of Contents

Related product manuals