EasyManua.ls Logo

Elecro Engineering EVOLUTION - Page 5

Default Icon
76 pages
Print Icon
To Next Page IconTo Next Page
To Next Page IconTo Next Page
To Previous Page IconTo Previous Page
To Previous Page IconTo Previous Page
Loading...
3
www.elecro.co.uk
ENGLISH
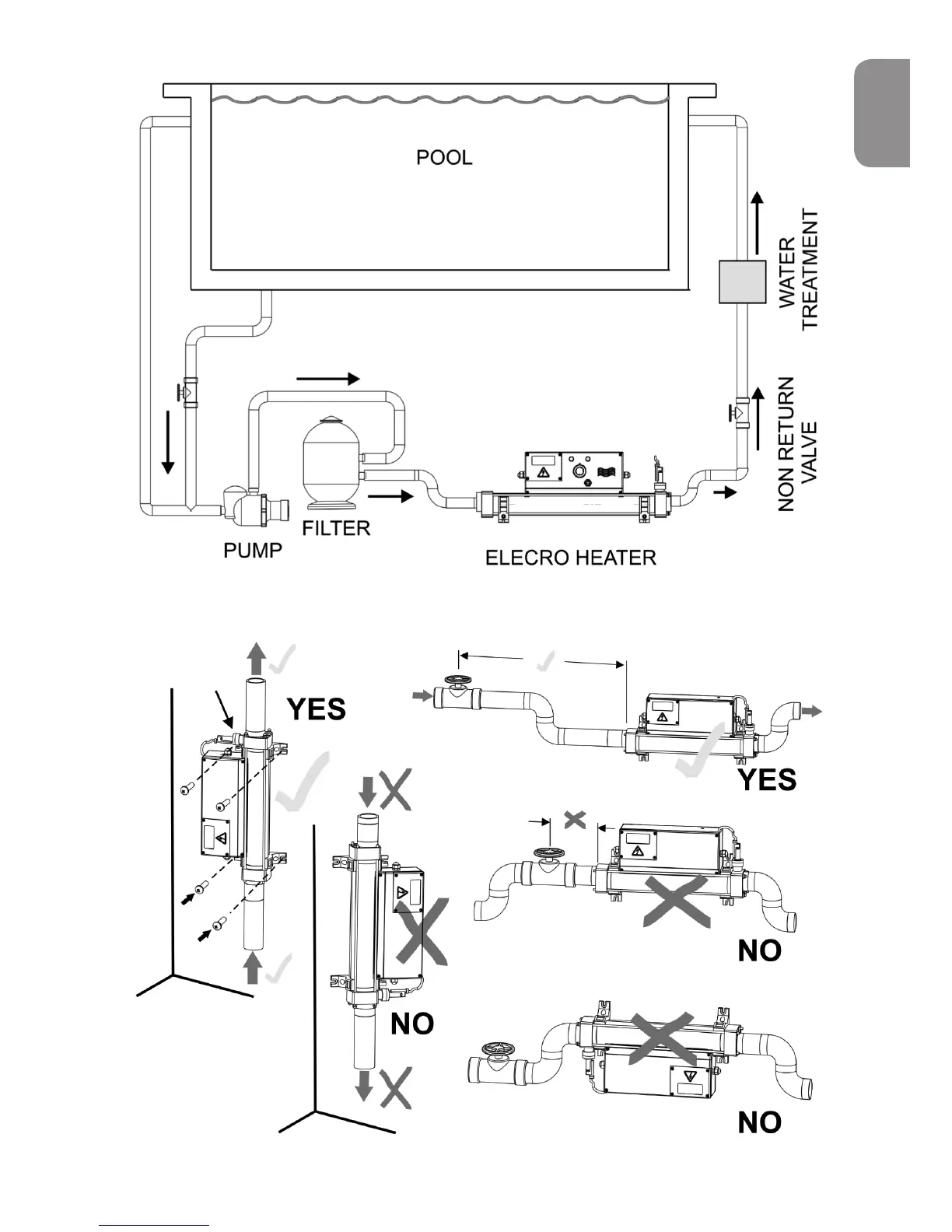
Flow switch
at top
For vertical wall
mounting water
must always enter
at the bottom
Fig 3.
Fig 4.

Related product manuals