EasyManua.ls Logo

Electric Mirror Aria - Page 9

Default Icon
12 pages
Print Icon
To Next Page IconTo Next Page
To Next Page IconTo Next Page
To Previous Page IconTo Previous Page
To Previous Page IconTo Previous Page
Loading...
Lighted Mirrors
Installation Guide
ELECTRIC MIRROR®
Installation Guide ELECTRIC MIRROR®
ELECTRIC MIRRO 425.776.4946 | electricmirror.com | sales@electricmirror.com | © 2019 Electric Mirror. All rights reserved. | 2.0419.MC
9
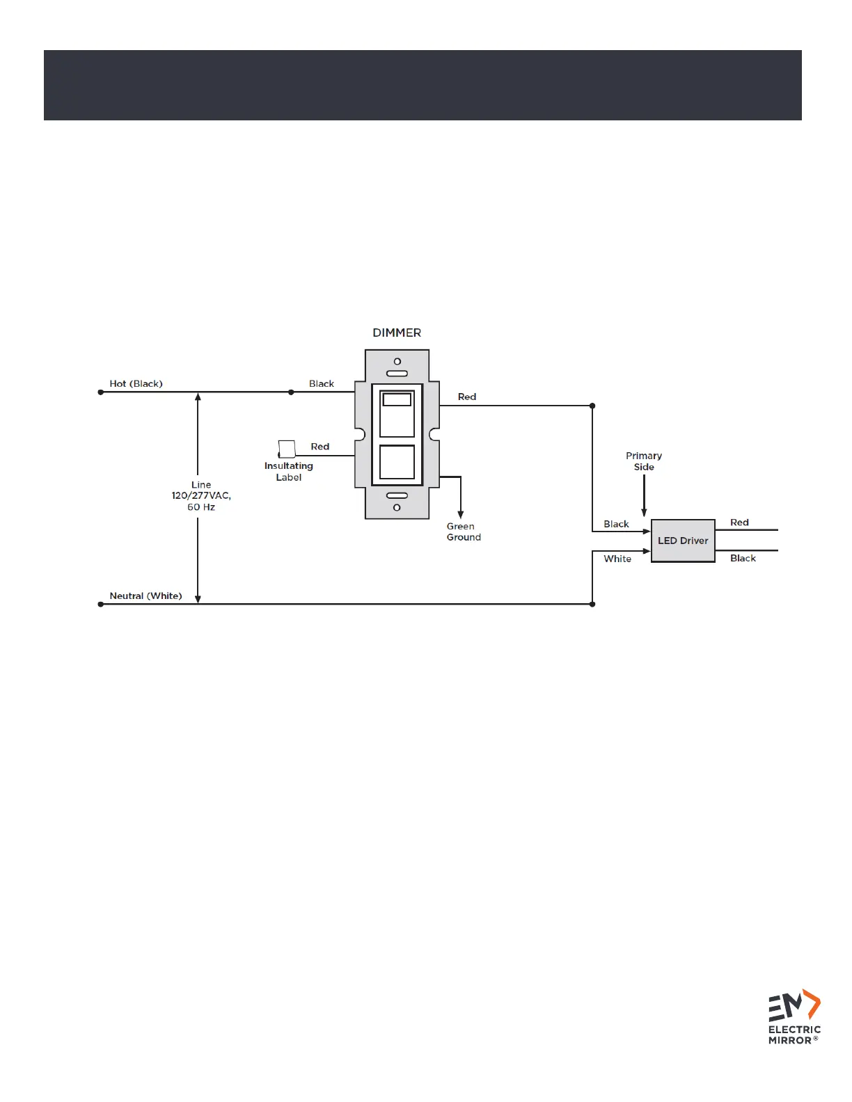
B. D2 Forward Phase Dimming
Electric Mirror recommends Leviton IPL06-10Z (not included) for Forward Phase Dimming.
Two-wire control is a line-voltage phase-control dimming method. The LED driver receives the dimming signal
through the dimmed hot wire.

Related product manuals