EasyManua.ls Logo

Electro-Optics Technology ET-2060 - Page 5

Electro-Optics Technology ET-2060
9 pages
Print Icon
To Next Page IconTo Next Page
To Next Page IconTo Next Page
To Previous Page IconTo Previous Page
To Previous Page IconTo Previous Page
Loading...
Electro-Optics Technology, Inc.
3340 Parkland Ct. Traverse City, MI 49686 USA
(231)935-4044 ׀ (800)697-6782 ׀ sales@eotech.com ׀ www.eotech.com
Page 5 of 9
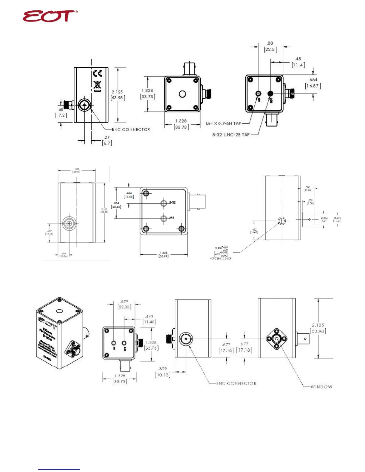
C. ET-2060 Dimensions:
D. ET-3000 Dimensions:
E. ET-3010 Dimensions