EasyManua.ls Logo

Electrolux EKF966 - Antes de Utilizar el Aparato por Primera Vez; Elaboració N de Café

Electrolux EKF966
33 pages
Print Icon
To Next Page IconTo Next Page
To Next Page IconTo Next Page
To Previous Page IconTo Previous Page
To Previous Page IconTo Previous Page
Loading...
29
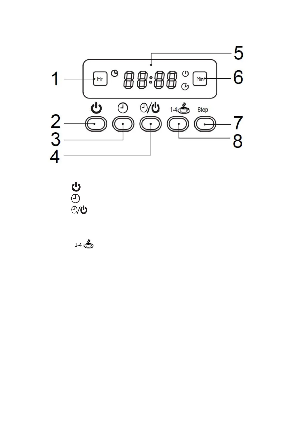
Panel de control
1. Botón Hr
2. Botón (Inicio)
3. Botón (Ajuste del Temporizador)
4. Botón (Temporizador Activado/Desactivado)
5. Visualizador del tiempo
6. Botón Min (Mín)
7. Botón Stop (Parada)
8. Botón (1-4 Tazas)
ANTES DE UTILIZAR EL APARATO POR PRIMERA VEZ
Desembale cuidadosamente el aparato y retire todos los materiales de embalaje.
Limpie el aparato con un paño ligeramente húmedo. Séquelo minuciosamente.
Es aconsejable lavar el sistema de percolación del café antes de utilizarlo por primera
vez.
Llene el tanque de agua con agua fa y siga las indicaciones para elaborar café
elaborando por lo menos dos jarras de café sin utilizar café molido.
ELABORACIÓ N DE CAFÉ
Asegúrese de que el aparato esté enchufado. El visualizador mostrará “0:00”.
1. Coloque el aparato sobre una superficie seca, nivelada y resistente al calor, lejos
de cualquier borde.
2. Abra la tapa y llene el depósito de agua con agua fresca o fría.
Las marcas en la ventana para el agua y en la jarra indican el nivel de agua
necesario para elaborar el número deseado de tazas.
Para evitar que rebose, no llene el depósito de agua con agua por encima de la
nea 12-cup (12 tazas).
Downloaded from www.vandenborre.be

Related product manuals