EasyManua.ls Logo

Electrolux EQE5600 - TECHNICAL DATA

Electrolux EQE5600
52 pages
Print Icon
To Next Page IconTo Next Page
To Next Page IconTo Next Page
To Previous Page IconTo Previous Page
To Previous Page IconTo Previous Page
Loading...
25EN
BRAND Electrolux Electrolux
MODEL EQE5600A-S EQE5600A-S
REGION KSA UAE
CATEGORY Refrigerator-Freezer Refrigerator-freezer
Energy efficiency class C 3 star
Annual energy consumption (AEC )
in kWh per year
325 kWh per year 489.1 kWh per year
Storage Volume Fresh Freezer 409 L 409 L
Storage Volume Food Freezer 102 L 102 L
Fost-Free Yes Yes
Temperature rise time N/A 8h
Freezing capacity (kg/24h) N/A 6kg/24h
Climate class T T
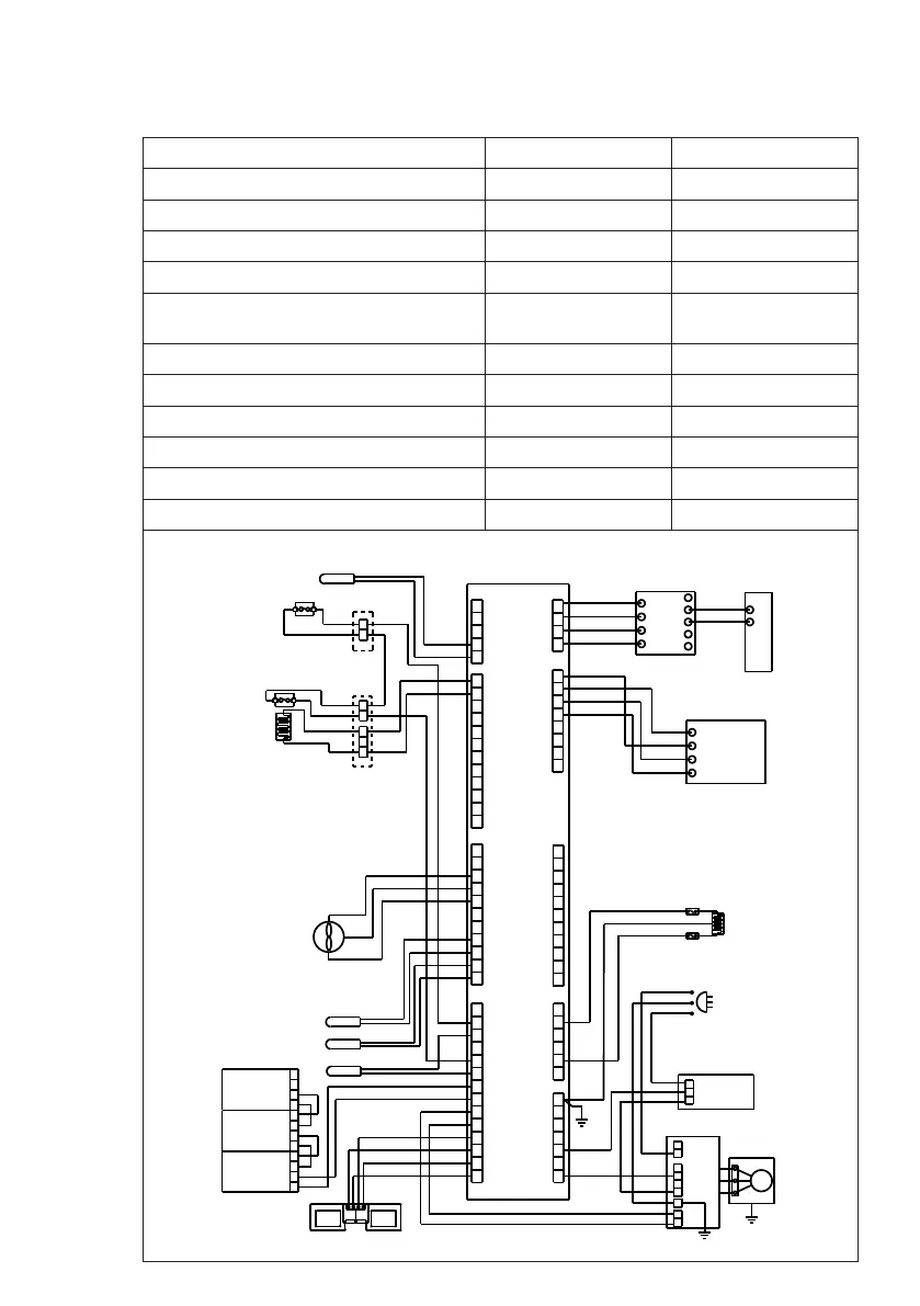
Circuit diagrams
11. TECHNICAL DATA
OPTION G (WALLABY)
ERF2507
J 1
J 2
1
1
J 3
1
1
1
1
J 5
J 4
J 7
J11
1
1
J14
J 8
1
RD
7
6
1 1
8
1 4
1 1
1 2
5 4
BR
BR
HINGE RIGHT
REED DOOR
SWITCH R
TCD SENSOR
YL
BU
WH
DB DAMPER
LUNA LED
BOARDs
LUNA LED
BOARDs
LUNA LED
BOARDs
1
1
FF SENSOR
WH
GY
WH
WH
FZ SENSOR
DF SENSOR
BU
BU
BK
BK
DC MOTOR FAN
BK
BR
RD
REED DOOR
SWITCH L
HEATER
MULLION
HINGE LEFT
RD
BK
RD
BK
RD
BK
BK
SB
L
COMPRESSOR
M
L
N
N
INVERTER
E
THERMOFUSE
BR
THERMOFUSE
DEFROST
HEATER
GR/YL
SB
SB
GR/YL
POWER CORD
BR
BK
OR
RD
BU
BK
1
BU
WH
BR
AMBIENT &
HUMIDITY
PCB
1
OR
UI PCB
IONIZER
1
1
1
PFC
BOARDs
GR/YL
BR
BR
BK
SB
RD
RD
BK

Related product manuals