EasyManua.ls Logo

Electrolux WT830 - Page 2

Electrolux WT830
2 pages
Print Icon
To Previous Page IconTo Previous Page
To Previous Page IconTo Previous Page
Loading...
Supply voltage: 506029 208 V/3p/60Hz - 48A
506030 240 V/3p/60Hz - 41A
Total Watts: 14.8 kW
Booster heating elements: 12 kW
Tank heating elements: 12 kW
Wash pump size: 3.5 hp
Electric
The company reserves the right to make modifications to the products
without proir notice. All information correct at time of printing.
12-18-10
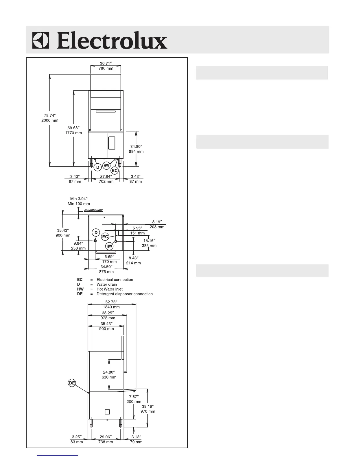
Front View
Top View
Side View
N° of cycles: 4 (6, 10, 15 minute and continuous)
Racks per hour: 10 (6 minute cycle)
6 (10 minute cycle)
4 (15 minute cycle)
Noise level: <70 dB
Net weight: 441 lb (200 kg)
Shipping weight: 606 lb (275 kg)
Shipping width: 44.06 (1120 mm)
Shipping height: 86.63 (2200 mm)
Shipping depth: 43.31 (1100 mm)
Shipping Volume: 2.71 cu. ft. (95.69 m
3
)
Predisposed for external detergent connections.
Key Information
Warewashing
Hot Water Sanitizing Pot and Pan Washer – 34.50
WT 830
Water supply pressure: 7.25 – 101 psi (50 – 700 kPa)
Water supply temperature: 120 °F (50 °C)
Colder incoming water supply
may lengthen wash cycle time.
Water supply hardness: 8 gpg (14 °fH max)
Gallons per cycle: 1.6 gallons (6.2 liters)
Gallons per hour: 10 gallons (38 liters)
(6 minute cycle))
Initial fill water consumption: 25 gallons (95 liters)
Booster Capacity: 4.8 gallons (18 liters)
Tank Capacity: 25 gallons (95 liters)
Incoming water line size: 0.75 (19.05 mm)
Drain line size: 1.625 ID (40 mm) free fall
drainage
Water
Warewashing
Hot Water Sanitizing Pot
and Pan Washer – 34.50 WT830

Related product manuals