EasyManua.ls Logo

Electronics Line Penta - Zone Bypassing and Unbypassing; Distress Key Functions

Electronics Line Penta
33 pages
Print Icon
To Next Page IconTo Next Page
To Next Page IconTo Next Page
To Previous Page IconTo Previous Page
To Previous Page IconTo Previous Page
Loading...
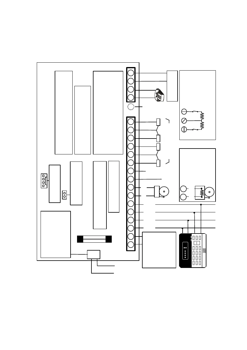
Z4
Z3
Z2
Z1
ZONE
CONNECTIONS
AUX
-
+
KPD
K2 K1
BATTERY PROTECTION FUSE:
Replace with a 1.0A/250V fuse
Electronics Line (E.L.) recommends testing
the system at least once a week. Refer to the
testing procedure found in the user manual.
AUX OUTPUT CURRENT DRAW:
The auxiliary output current allowed for
peripheral units must not exceed 300mA
when one keypad is installed. For each
additional keypad (up to 3 max.) the
permitted current draw is reduced by 50mA.
AUXILIARY POWER OUTPUT:
AC Operated: 13.5 - 14.0V
Battery Operated: 12V Nominal
AC Transformer
50/60Hz
15Vac
22-30VA
Do not connect to
a switch controlled
receptacle.
LED Keypad
BELL/SIREN OUTPUT:
600mA max.
1 2 3 4 5 6 7 8 9 10 11 12 14 15
PGM
13 16
Telephone Line
Connections
Tamper
Zone
B
L
A
C
K
R
E
D
12V/3.2Ah BATTERY:
Replace the battery
every 3 - 5 years.
The maximum charging
current is 350mA.
+
-
JPD Jumper for factory
default restore
Electronics Line (E.L.) Ltd. - Penta
Household Burglary Alarm Panel
N.C.
2.2K
1
/
4
W
2.2K
1
/
4
W
Typical End
of Line
Resistor
Zone
Connections
(EOLR)
N.C.
-
+
Connector for 3601
Voice Module
Optional
Earth
Connection
7
8
-
+
2.2K
Supervised
Bell
Connections
(USA
hardware
only)
2 3 4 5
1
2.2: Wiring Diagram
-7-

Other manuals for Electronics Line Penta

Related product manuals