EasyManua.ls Logo

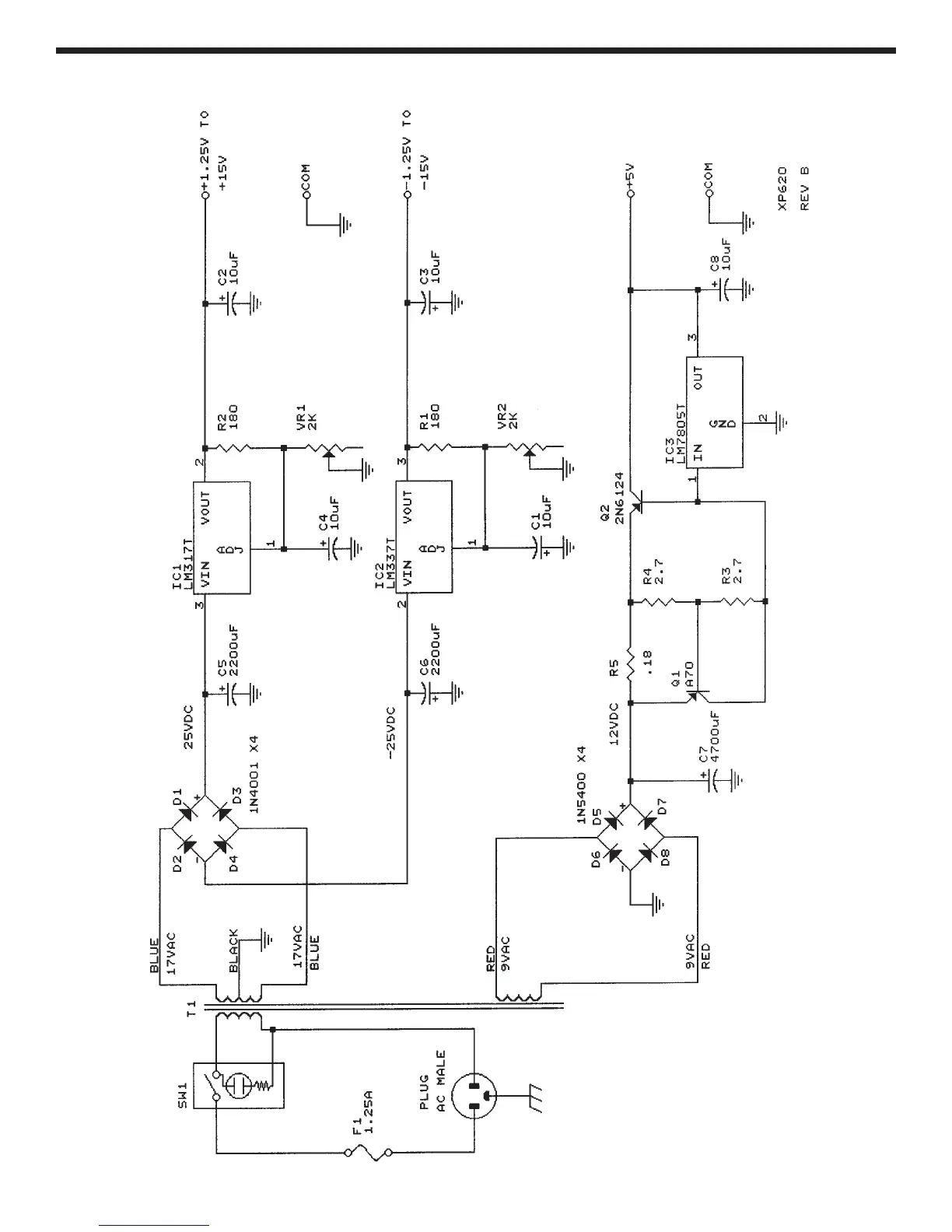
Elenco Electronics XP-620 - Schematic Diagram

Elenco Electronics XP-620
8 pages
Print Icon
To Next Page IconTo Next Page
To Next Page IconTo Next Page
To Previous Page IconTo Previous Page
To Previous Page IconTo Previous Page
Loading...
-6-
SCHEMATIC DIAGRAM

Related product manuals