EasyManua.ls Logo

Elgento E14010 - Guarantee; Conditions of Guarantee; Technical Specification; Parts Identification

Elgento E14010
6 pages
Print Icon
To Next Page IconTo Next Page
To Next Page IconTo Next Page
To Previous Page IconTo Previous Page
To Previous Page IconTo Previous Page
Loading...
This product is guaranteed for 12 months from the date of the original purchase.
If any defect arises due to faulty materials or workmanship the faulty products must
be returned to the place of purchase. Refunds or replacement is at the discretion
of the Retailer
The following conditions apply:
The product must be returned to the retailer with the original proof of purchase.
The product must be installed and used in accordance with the instructions contained
in this instruction guide.
For domestic purposes. ONLY.
It does not cover wear and tear, damage, misuse or consumable parts.
PFD has no responsibility for incidental or consequential loss or damage.
Valid in the UK and Eire only.
Technical Specication.
Guarantee.
Halogen Oven
Product Code E14010
AC: 220V~ 230V 50Hz
Power 1400W
Thermostat: 65 -250
o
C
Timer: 0-60minutes
Container Capacity:O300×150mm
Gross weight: 8.5kg
Net weight:7kg
Sutton House,
Berryhill Road,
Fenton
Stoke on Trent
Staffordshire,
ST4 2NL.
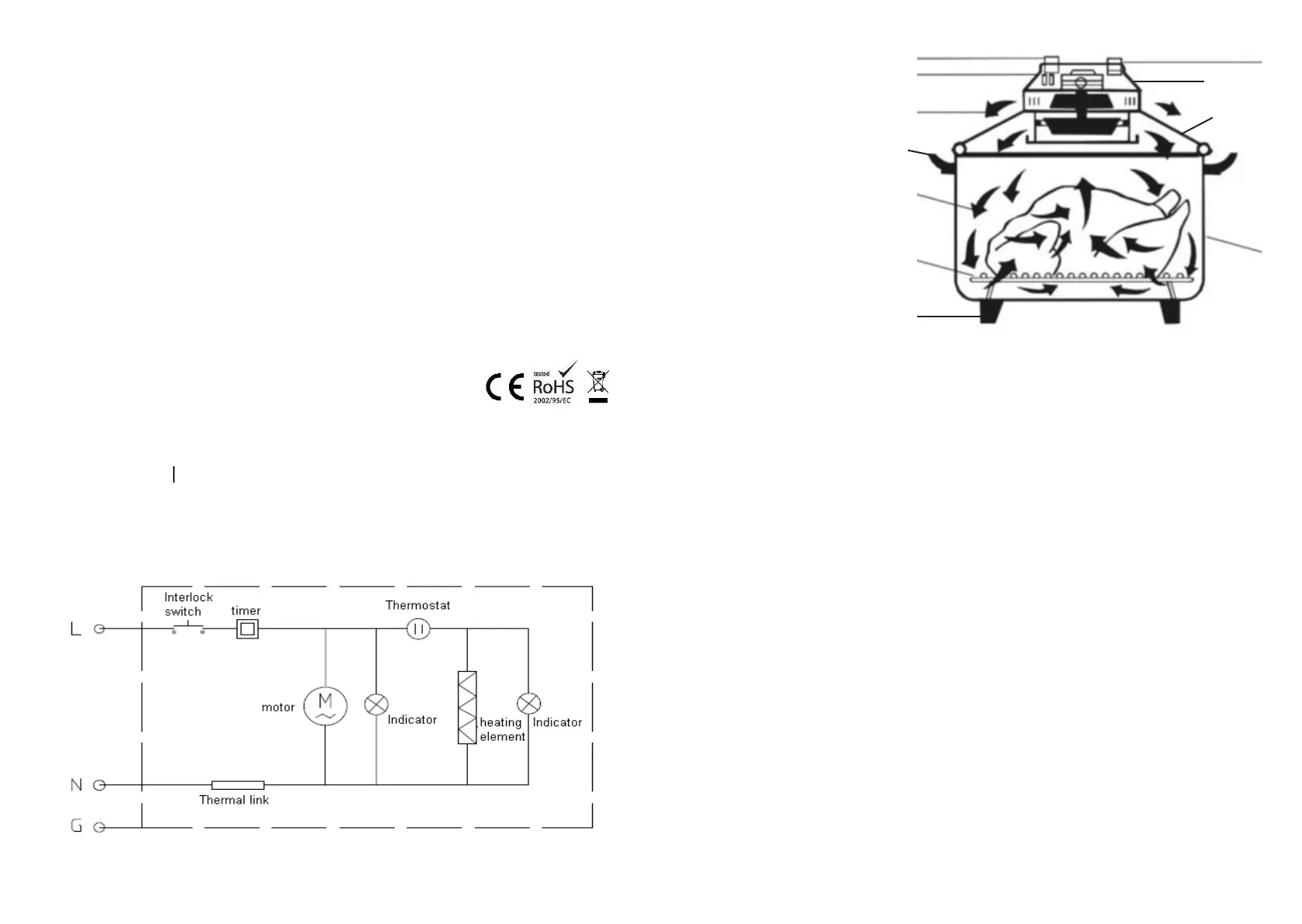
Parts Identication
1
3
6
4
9
7
5
2
3 8
10
1. Thermostatic Controller..
2..Timer Switch
3. Air ow Direction
4. Handle.
5. Air ow Direction.
6. Food rack.
7. Motor Housing.
8. Glass Lid
9. Glass Container.
10. Plastic Carriage
Safety Information
Please retain this instruction manual for futre referance
Before use, check that your mains power supply corresponds to the voltage shown
on the rating plate of the Oven, located to the rear of
the Oven Lid
Do not oprerate this oven with the bowl directly on the work surface this may
damage the work surface
The Oven carrage must be placed on a at, stable and level surface.
Do not let children near the Oven when in use.
Do not let the Power Cable hang over the edge of the worktops, touch hot surfaces.
Do not place the Oven near any other heat source.
This appliance must be earthed.
Do not place the Glass Bowl on directly on any heat souce.
Only move the Oven, when operating, with great care.
Do not touch hot surfaces;
use the Carrying Handles. Never lift with the Glass Bowl without its carraige
The Glass Bowl and Oven Lid will remain HOT after cooking.
The Racks may be lifted from the Glass Bowl using the Tongs provided.
After removing the Oven Lid place it on a heat resistant surface, as the underside
is very hot during cooking.
Do not place the Oven Lid anywhere other than on the Glass Bowl during operation.
Always place the Oven Lid on the Glass Bowl before connecting to the wall socket.
Do not use the Oven with an external timer switch.
Do not use the Oven for any purpose other than that for which it is intended.
Do not drop the Oven. glass is fragile
Do not share a socket with other appliances, as the socket may overheat.
Do not immerse the Oven Lid in water or other liquids, or allow liquids to get into the lid.