EasyManua.ls Logo

ELM 329 - Page 75

ELM 329
83 pages
Print Icon
To Next Page IconTo Next Page
To Next Page IconTo Next Page
To Previous Page IconTo Previous Page
To Previous Page IconTo Previous Page
Loading...
Example Applications (continued)
75 of 83
ELM329
ELM329DSC Elm Electronics – Circuits for the Hobbyist
www.elmelectronics.com
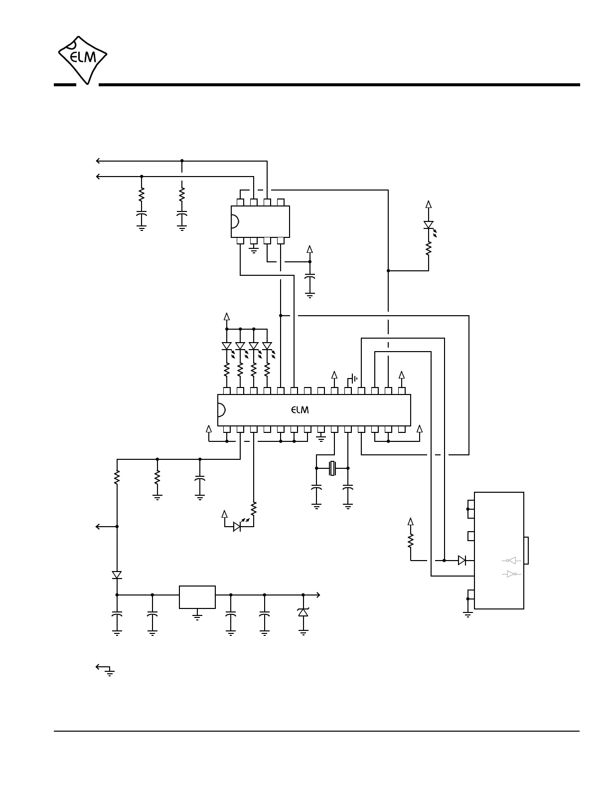
Figure 9.
A CAN to USB Interpreter
X1
4.00MHz
C6
27pF
OBD
Interface
(J1962)
R1-4
470
+5V
C5
27pF
+5V
+5V
+5V
CAN-H
6
CAN-L
14
1
2
3
4
5
6
7
8
MCP2561
329
1
2
3
4
5
6
7
8
9
10
11
12
13
14
15
16
17
18
19
20
21
22
23
24
25
26
27
28
U1
+5V
R6
470
L1-L4
L6
PWR
R7
100
R8
100
C7
560pF
C8
560pF
R9
470K
R10
100K
C10
0.01µF
U2
R5
470
+5V
+5V
C9
0.1µF
Active
L5
+ +
Battery
Positive
16
Signal
Ground
5
+5V
C3
0.1µF
D1
U3
LP2950
C4
10µF
10V
C2
2.2µF
50V
C1
0.1µF
50V
R11
4.7K
USB
Interface
(mini B)
+5V
D3
3 (TxD)
5 (SG)
1 (DCD)
4 (DTR)
6 (DSR)
7 (RTS)
8 (CTS)
FTDI
DB9-USB-D5-F
9 (RI)
2 (RxD)
U4
+5V
D2
5.0V
TVS