EasyManua.ls Logo

Elo Touch Solutions ET2002L - Page 10

Elo Touch Solutions ET2002L
24 pages
Print Icon
To Next Page IconTo Next Page
To Next Page IconTo Next Page
To Previous Page IconTo Previous Page
To Previous Page IconTo Previous Page
Loading...
User Manual: 1002L, 1502L, 2002L
UM600012 Rev F, Page 10 of 24
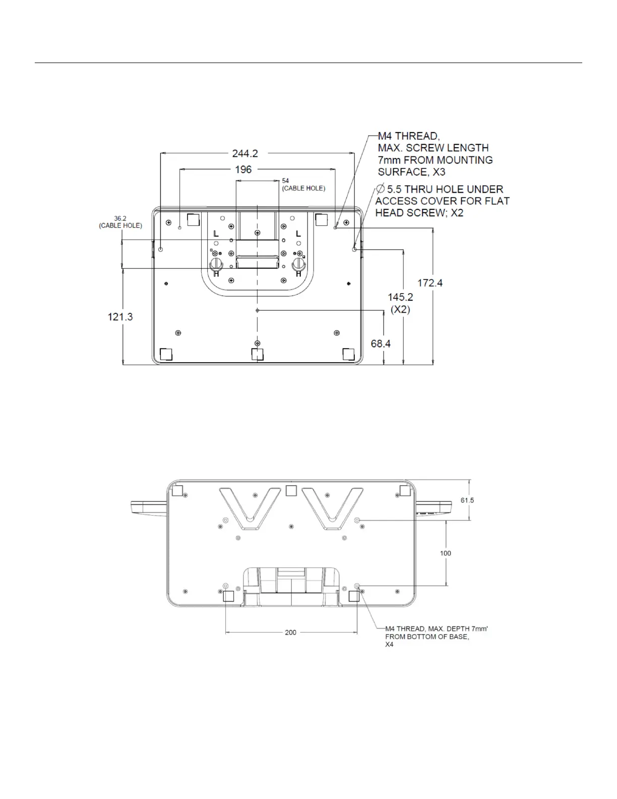
Base Mount
For the 1502L touchmonitor, a threaded three-hole mounting pattern for M4 screws is provided
on the bottom of stand base for mounting or securing.
For the 2002L touchmonitor, threaded through-holes are provided on the bottom of the stand
base for mounting or securing.

Related product manuals