EasyManua.ls Logo

Elvox 8875 - 1 Way Audio System Wiring Diagrams

Elvox 8875
6 pages
Print Icon
To Next Page IconTo Next Page
To Next Page IconTo Next Page
To Previous Page IconTo Previous Page
To Previous Page IconTo Previous Page
Loading...
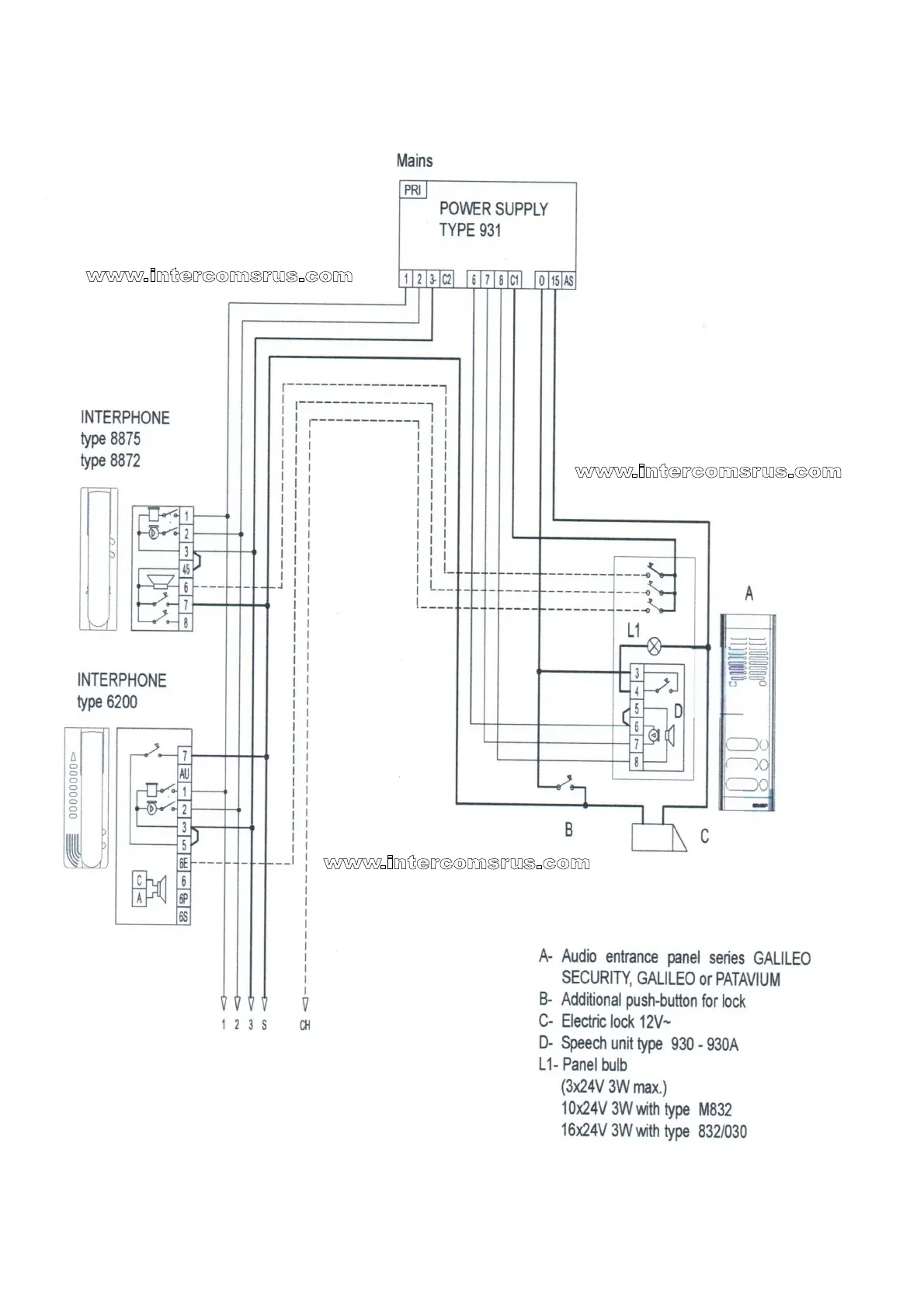
WIRING DIAGRAM
1 Way Audio With 931 Power Supply