EasyManua.ls Logo

Elvox 8875 - Page 3

Elvox 8875
6 pages
Print Icon
To Next Page IconTo Next Page
To Next Page IconTo Next Page
To Previous Page IconTo Previous Page
To Previous Page IconTo Previous Page
Loading...
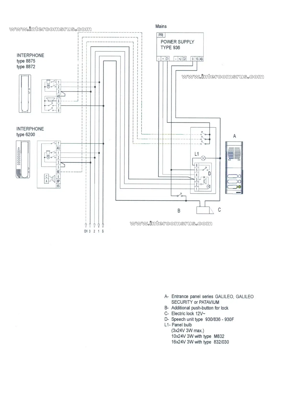
1 Way Audio With 936 Power Supply